ZOOM UAC (6 онлайн)

@Alex2Sander, У меня 8 каналов внешних ченелстрипов,дигилабы присутствуют,если умеючи использовать еще и динамическую обработку на вход,разница с предами зума весьма ощутима.
 
Такой вопрос, Зум-уак2 может нативно воспроизводить DSD формат, вроде AK4396 это умеет? У меня через фубар не получилось.
 
вроде AK4396 это умеет
-никогда не умел, путаете наверное с 4399 тот умеет, а самое главное usb контроллер должен поддерживать dsd а этого нет , вообще навскидку кроме цап
mytek dsd192 не помню pro поддерживающее этот формат, это вам надо usb бытовые цап те поддерживают и то не все или usb-spdif-i2s конвертер типа i2sover и цап с i2s входом
 
Последнее редактирование:
@digilab2, в даташите написано "The AK4396 accepts 192kHz PCM data and 1-bit DSD data, ideal for a wide range of applications including DVD-Audio and SACD" и "DSD data input available", что это тогда значит?

Хотя да, видимо не может.
 
Последнее редактирование:
-ну если написано значит может , это я наверно путаю с 4395 или с 4393 , их там несколько похожих было пин ту пин совместимых
помню только что из всей кучи в tsop 4396 был последний, суть все равно не в этом а в контроллере usb что он принимает( декодирует)
то и будет играть, если цап позволяет конечно
 
Вот уже как второй день получил карту zoom uac 2 и могу уже составить о ней свое мнение.
К счастью, мои опасения что могут возникнуть сложности с установкой драйверов, не подтвердились.
Установилось все сразу очень быстро и легко.
Inrel i3, Win7 x64, USB 3.0
Сравнивать могу только с таскам us 122MKII. Звучание сложно понять, стало лучше или нет. Скорее всего примерно на том же уровне. Может быть внушение, но звук стал более сухим и детальным (меенее красивым и музыкалным) Как будто стали лучше слышны ньюансы. Но это могло показаться) А вот звучание гитары стало лучше. Если в тасками что-то шумело и хрипело, то здесь все чисто. Предусилители у зума тоже лучше. Раньше к таскму подключал прератроннику, и ператронника звучала заметно лучше встроенных предусилителей. А сейчас между претронникой и встроенными предами зума я почти не услушал разницы. И что самое интересное, При подключении в таскам пертронники не хватало гейна и я добалял на таскаме
А с зумом, гейна перетронники хватает. Только может это все конечно связанно что у зума нет чистого линейного входа.
И еще одно чудо. Есть у меня недорогой микрофон, но он всегда шипел (был у него шум сильный), так вот я воткнул его в зум и теперь он не шумит. Т.е. дело было не в нем. Я не хочу гнать на фирму таскам. Мне нравится эта фирма, но может у меня был экземпояр такой или еще что-то, но результат на лицо. Я доволен что поменял интерфейс.
Ну еще зуму придется себя показать в плане стабильности а также сделаю замеры задержки.
 
Таки стал обладателем UAC-8. Пока доволен. Посмотрим как будут дальше события развиваться. По сравнению с ESI UGM 96 в звуке разница слышна практически сразу. Гораздо более глубокий и насыщенный звук с куда более явно осязаемыми НЧ. На первый взгляд все звучит плотнее и собраннее. И излишняя компрессия сразу в уши бросается. Даже на коммерческих записях. Даже на любимых ранее. Уж не знаю, правда, стоит ли эта разница в звучании столько денег))) Тест преампов на очереди.

Что касается ПО, то пока всё отлично. Дрова поставил за пару минут, всё мгновенно подцепилось и заработало. Win10 x64


А вот и глюки. Обновил прошивку до 1.10, и в конце второго прослушанного альбома звук обрубился. И не врубился, пока я не переключился сначала на стандартную карту в микшере Винды, а затем снова на UAC. Девайс не перезагружал. Звук вернулся. Но уже неприятно.
 
Последнее редактирование:
@Rock80s, Было,кстати,несколько раз похожее на ноуте с десяткой,решалось просто выключением и включением карты.Вообще-то,если заниматься звукозаписью,а для этого и нужен многоканальный интерфейс,не просто музычку послушать,не вижу ни каких преимуществ десятки перед семеркой,а на семерке карта работает железобетонно,почти год-и не одного глюка,так у меня работала только rme ucx.
 
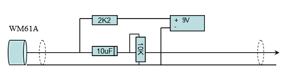
Подскажите пожалуйста, капсюль Panasonic wm-61a как подключать к Зуму? Хочу мерять АЧХ колонок. Видел схемы с батарейкой "кроной" и вроде от фантомного как-то можно. Как истинно правильно подключить, чтобы не спалить ничего?
 
не вижу ни каких преимуществ десятки перед семеркой,а на семерке карта работает железобетонно
У меня рабочий ноут уже был с восьмеркой на борту. Потом, естественно, обновился до 10-ки. Потом, когда поставил SSD, снова поставил 10-ку. До 7-ки там уже вряд ли получилось бы откатиться.

Вообще погонял сейчас преампы на запись. За 5 часов пока не было никаких глюков. Да и при прослушивании пока звук не отваливался больше.

Жаль всё-таки, что Hi-Z входа всего два. Хватает впритык. Правда, у меня еще есть Дигилабовский пред, но он пока на работе.
 
@Oliver_Cray, так правильно?

Или одного резистора достаточно будет?
 

Вложения

  • mic-power (1).gif
    mic-power (1).gif
    5,5 KB · Просмотры: 177
  • simple_mic_preamp.png
    simple_mic_preamp.png
    12,6 KB · Просмотры: 203
Последнее редактирование:
Подскажите пожалуйста, капсюль Panasonic wm-61a как подключать к Зуму? Хочу мерять АЧХ колонок.
-никак, для него нужен спец предусилитель, либо с батарейкой но это через ж ..., купите если очень надо измерительный микрофон behringer, он вроде недорогой, и точно лучше
-если хотите мерять именно ачх колонок , то в комнате не померяете , бросьте сразу и не занимайтесь ерундой
 
Последнее редактирование:
  • Like
Реакции: Oliver_Cray
Подскажите у Zoom UAC-2 при выключении компа продолжает гореть индикатор включения. Нормально ли это? Или стоит выключать звуковую?
 
Я включил комп-р в переноску с выключателем. После штатного выключения комп-а выключаю
переноску. И таким образом комп-р
полностью обесточен вместе со всей периферией
 
Коллеги спасибо за советы. Но... я не спрашивал КАК выключать, я спрашивал НУЖНО ЛИ выключать.
 
Личное. У меня интернет роутер 5 лет без отключения, б/проводной телефон дома - 12 лет. Дышут пока
 
Обновилась прошивка на Вин на 1.2.0,улучшений, или как в прочем, ухудшений- не замечено,все также стабильно.
 
Знаю что некоторым это будет важно. UAC-2 прекрасно работает на контроллере Etron usb 3.0 с последней прошивкой и дровами звуковухи 1.2. Но только с драйверами контроллера с сайта Etron, с дровами майкрософт для этого контроллера не пашет. Чипсет Z68.
 
Здравствуйте , стал счастливым обладателем ZOOM UAC-2 ,тоже для информации сразу прекрастно установился c драйвером 1.2 на Gigabyte B150 HD-3 DDR-4 ,Intel i5-6400 ,USB-3, Две недели всё летает никаких сбоев.
 
  • Like
Реакции: Nuts_
@милованов, не могли бы вы измерить ваш UAC-8 в RMAA в режиме loopback 24/44 сначала с включенным апсемплингом а затем с выключенным? Есть мнение что колокол и относительно большие искажения связаны с внутренней обработкой карты, которая в UAC-2 не отключаема.
Замеры моего UAC-2 можно глянуть по ссылке https://drive.google.com/open?id=0By-dampq4ymjbVNxVHlWTEpYN3c
 
  • Like
Реакции: Nuts_
Еще у меня редко отваливается звук при использовании карты в бытовых целях (ютуб, игрульки), перезагрузка карты или вкладки браузера проблему решает.
Проблема была с питанием по USB 3.0, звук периодически отваливался. Подключил карту через usb хаб с отдельным питанием и ни разу не отваливался звук, все стабильно.
 
  • Like
Реакции: Nuts_
@GKP, Да уже меряли где-то,апсемплинг на неровность в 450 гц не влияет,это идет с выхода,проблема с какими-то фильтрами,если бы косячили дрова,давно бы исправили,а так молчат как партизаны,типа так задумано,Дигилаб лучше объяснит,но вход ровный,а вот искажения,возможно и из-за апсемплинга,хоть это вообще и не критично,я его иногда использую на запись как своеобразный эффект.
[DOUBLEPOST=1492681883][/DOUBLEPOST]@Lipatoff, А что за моделька хаба?
 
@милованов, в закромах валялся простенький d-link dub h-7. Подключаюсь к портам с доп питанием. Подозреваю, что аналогичный результат будет при подключении в обычный usb 2.0 порт материнской платы, но у меня такой возможности нет и использование хаба вполне решает проблему.
 
@милованов, А где бы посмотреть эти измерения с и без оверсемплинга? Я в теме не нашел, может плохо искал...
Думал что это бок usb версии, но потом нашел так же результаты замера АЧХ серии TAC - там тот же колокол на 450 Гц. Я полагаю что беда не в драйвере, а возможно в прошивке, которая, кстати, на UAC-2 один раз обновилась, но изменений в АЧХ или искажения не принесла. Поэтому очень интересно увидеть сравнение UAC-8 с включенной обработкой и без нее.
 
@GKP, Это колокол лично меня вообще не парит ибо я его вообще не слышу, как и многие другие обладатели девайса.
Интерфейс добротный и за свою цену в этой категории, лучшей альтернативы нет..
 
  • Like
Реакции: progulca
@GKP,сейчас и не вспомню,это чисто японский сайт,попался в теме про зум на Gearslutz.com,а разница в звуке с апсемплингом и без,есть,только я так и не вкусил прелесть этой фишки на выход.
 

Сейчас просматривают