БольшеТам боковые больше, чем минус 110, так что - верю.
БольшеТам боковые больше, чем минус 110, так что - верю.
с его же аналогового генератора
генератор на одну частоту
могу фото-видео процесса показать, не шаманил, да и есть ли смысл...Чего быть, при всём почтении, не может.

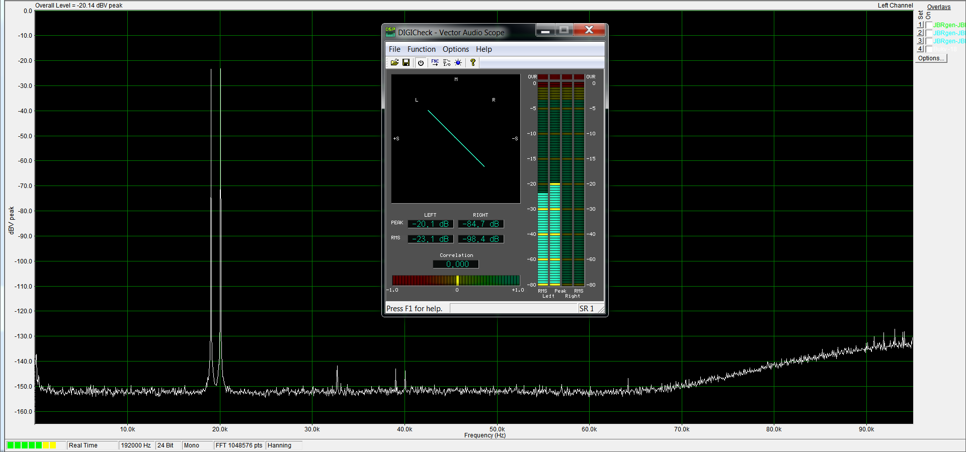
-это точно , но я предпочитаю es9018 он и так под -120 дает , правда сложней конечно , зато на любую частоту в звуковом диапазонегенератор на одну частоту с -120дБ делается почти "на коленке"
-старый cs5381 лучше всех pcm и акм , у него после -3dbfs гармоники начинают расти плюс у 4220 1/f шум с 100-200гц прет , у 5381 -нет4220 - такая зараза, он сильно не любит уровни выше -15дБФС.
-очень оптимистично , мне конкретно попадались cs5381 c -115dbc т.h.d , pcm4202 не помню чтобы до -110dbc были , хотя я их много не крутил , сs5381 поВ этом плане гораздо лучшее 4202. Для измерений - самое оно. По искажениям получше цирруса 5381 будет.
-так верно гармоники просто в шум уехали при карриере -20, вы карриер -3-5 поставьте тогда картина изменится, Михаил про другое говоритмогу фото-видео процесса показать, не шаманил, да и есть ли смысл...
огу фото-видео процесса показать, не шаманил
полученным не на именно измериловке, а на чём-то другом - не верю...
-- Так никто ж и не спорит!понятно, что это просто неповеренный индикатор, но тоже вещь очень полезная