-- TechnoIsBack, зачем там счётчик? На 3396 подаётся просто импульсный сигнал нужной частоты (ноты) - и всё...
		
		
	 
А откуда он берётся? )  Наверняка расчитан на мастерклок + счётчик ... иначе они изначально сделали бы VCO управляемый напряжением.
---
Возвращаясь к вопросу о DCO  в виде чипа.  Так в 106-ой Джуне там же вроде  DCO в виде чипа MC5534A.  В сети эти микрухи так и продают, как "DCO для Juno-106" ))  ...  Выглядит этот чип вот так:
PS: кстати, в некоторых ревизиях по два осциллятора на чип. То есть 3 чипа на 6 голосов... но не об этом сейчас.
----------
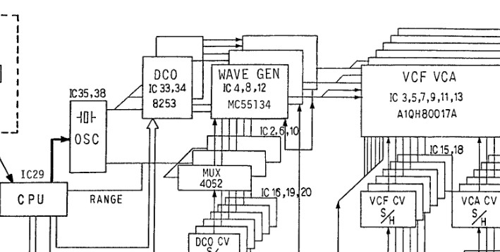
Но....   если открыть сервис мануал Juno-106, становится всё интересней и интересней ))))
Дело в том, что там под DCO они понимают не чип генератора волновых форм, а именно счётчик, который генерит прямоугольный сигнал.. счётчик на базе микросхемы Intel 8253. Выглядит этот счётчик вот так:
Вот это и есть истинный DCO в терминологии компании Roland  )))))   ...  а не все те пилы и PWM-ы,  что мы привыкли понимать под термином DCO...
------
А вот схемы, на которых чётко видно разделение - то есть отдельно DCO, и отдельно Waveform Generator:
------------
Это была Juno-106. Такая же схема из мануала предыдущей Juno-60:
--------
А вот здесь видно схему генератора волны Wave Generator на базе микросхемы MC5534A (обведён в пунктирный квадрат). Что интересно - данный генератор в понятиях терминологии компании Roland  не является DCO (как часто блогеры любят приводить в примерах референсного DCO генератора) .... это именно Wave Generator  ...  а сама микросхема DCO стоит перед генератором волны ... тот самый счётчик Intel 8253 )))
Напомню, что именно компания Roland ввела в обиход понятие DCO в своих первых Джунах,  и утверждать, что они ошибаются, не понимая истинного предназначения DCO было бы крайне легкомысленно ))) Это скорее всего мы не правильно поняли, что они хотели вложить в это понятие...  Поэтому, как видно из данных схем - под DCO  имеется ввиду именно цифровой счётчик ))
Это очень комично в свете всех тех статей из интернета, где под DCO рисуют именно схемы генераторов волны.   Ну да ладно... это я уже наверняка цепляюсь к словам. Ведь  уже в Alpha Juno они и сами под  DCO  имеют ввиду именно тот чип, который совмещает в себе и вейвшейперы для формирования различных волн.
Итого....
Учитывая эту концепцию, 
@Long, согласитесь ли Вы, что 
осциллятор* 106-ой Джуны ... а именно  Wave Generator на базе микросхемы MC5534A    принципиально не отличается от обсуждаемой выше микрухи из Matrix-1000.   Ведь по сути микруха Роланда MC5534A  тоже на вход принимает внешние прямоугольные импульсы от внешнего счётчика.      Такой подход называют DCO генераторами в целом? )   А если перед такой микрухой поставить VCO формирователь "квадрата" ? ))  Равнозначное сравнение? )
осциллятор*:   хотя, по большому счёту, осциллятор - это тот элемент, который непосредственно генерит первоначальные импульсы ... то есть (мастер клок + делители + счётчик), которые в результате выдают пульс конкретной частоты ... а микруху MC5534A правильно было бы именовать вейвшейпером или волновым генератором, как это и написано в мануале Джуны 106.  И, кстати, нигде не обозначено, что вейвшейпер должен быть именно аналоговым, и не может быть цифровым с последующим ЦАП-ом ),  так как он отдельно от DCO
Да .. и ещё... там в осце Джуны есть компенсирующий сигнал от процессора, который выравнивает амплитуду пилы ... но суть от этого не меняется. Осциллятор Джуны 106 "питается" такими же прямоугольными импульсами как и Осц Матрикса.   Само собой опускаю факт наличия фильтров, огибающих и прочих ништяков формата 'Synth on a Chip' в микрухе Матрикса.   Поэтому если микруха Матрикса не совсем DCO ... то по этой же логики не правильно было бы считать и осц Джуны   DCO-шным  
