Как сделать тест предов?

-- Денег требует - сделать нормальный линейный вход. Это плюс хотя бы одна микросхема
и другой регулятор гейна, сдвоенный.

сделать тру линейный вход на комбинированном разъеме XLR

-- Можно, на NCJ9FI-H, вот таком:
224821
 
Кстати, всегда интересовался, возможностью сделать тру линейный вход на комбинированном разъеме XLR
-конечно выводы хlr и trs там раздельные , так что мешает только жадность, хотя в принципе некоторые микпреды вполне можно использовать как высококачественные линейные входы например выполненные на that1580 , that1510 , ina103 и подобного
 
Последнее редактирование:
  • Like
Реакции: Anthony Scott
сделать тру линейный вход на комбинированном разъеме XLR
Если есть руки и кое-какие знания по части электроники, оно конечно делается , была бы необходимость…
Для лин входа желателен буфер (это оу), и в схему вводится переключатель «микрофон-линия», в противном случае нужен ещё и сумматор, поскольку напрямую тупо параллельно подать ещё один сигнал после мик ампа в уже существующую схему не получится (оно так не будет работать). Также, некоторые ацпы имеют свой встроенный реф (по постоянному смещению, на входе), а для каких-то он внешний, и задаётся в дополнительном буфере (это ещё один оу) перед ацп, и его по уму тоже бы поменять, если стоит совсем тухлый.
Здесь в любом случае, если браться что-то самостоятельно перекраивать, разумеется нужен сервисмануал, а если такового нет, то входные цепи предстоит перерисовать на бумагу с «живого» прибора, ибо структурно входные цепи большинства приборов очень похожи, а в принципиальных схемах могут быть существенные различия…
 
Последнее редактирование:
  • Like
Реакции: Long и digilab2
и в схему вводится переключатель «микрофон-линия»

-- В гнезде NCJ9FI-H есть три разрывных контакта, один из которых - земляной.
Его можно использовать для управления переключающим реле:
224841
 
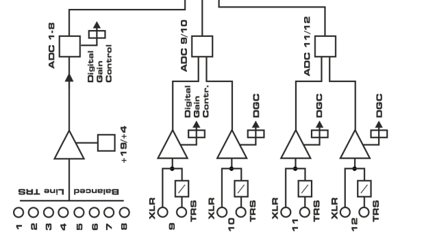
Ну например в RME Multiface только чистые линейные входы. Но там кодек - и вот уже линейные входы как бы и не так важны. А в Apogee Element чистые линейные TRS. Даже регулировок нет. Просто вход -10/+4. Все. Можно пользоваться.
 
  • Like
Реакции: Long
да, насчет гейна прошу прощения. это от первой UFX, там его не было, а во второй видимо появился физически
Посмотреть вложение 225299

по темам не люблю прыгать )
в любом случае влияние такого регулятора громкости ничтожно и влияет на качество записи
от слова совсем никак.
так во 2й тоже нет физически. где вы нашли его?
 

Сейчас просматривают