сорри опять тревожу на схеме не стандарные конденсаторы как с этим быть ?А родная совсем не годится? Вроде, проще некуда:
Посмотреть вложение 228021
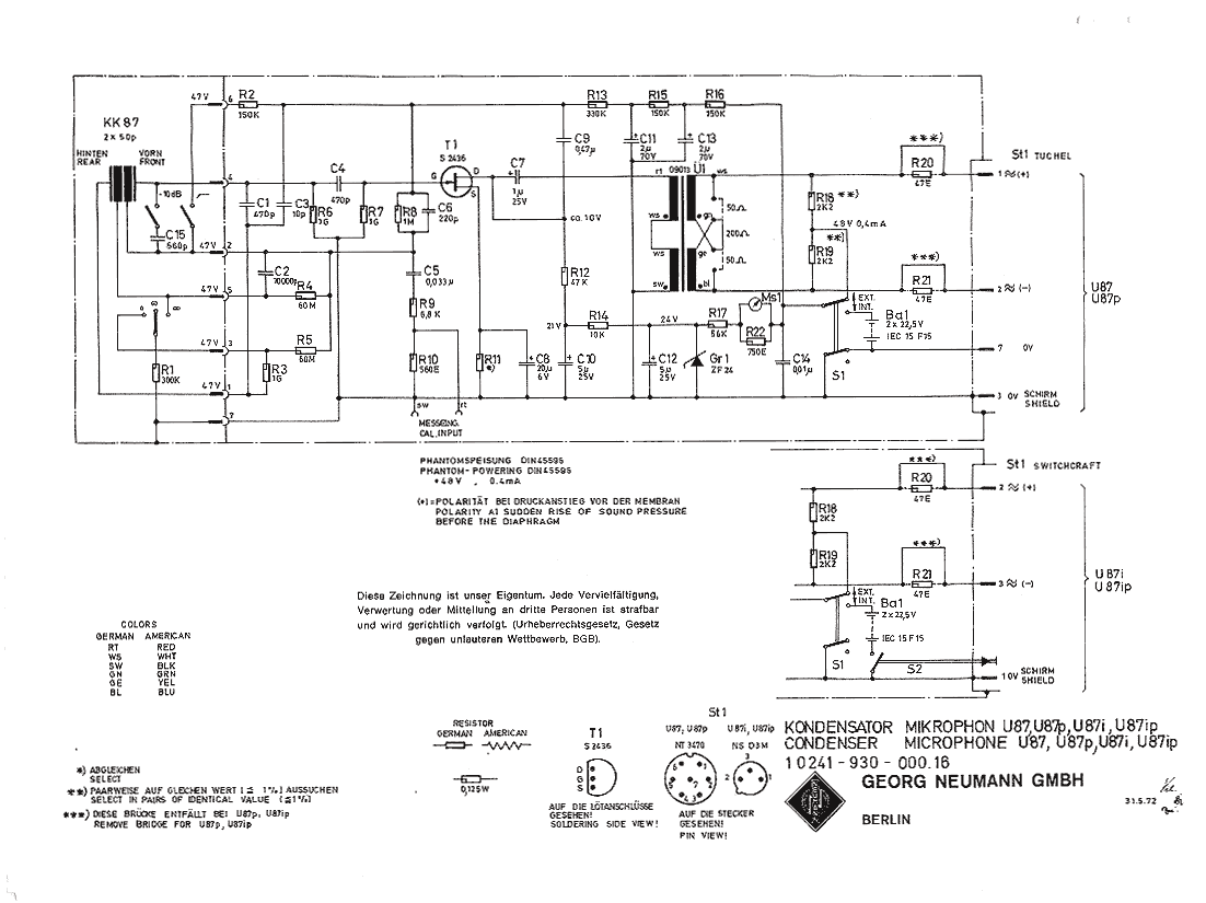
Сформулируйте точнее. Какие конденсаторы вам кажутся нестандартными?сорри опять тревожу на схеме не стандарные конденсаторы как с этим быть ?
там на схеме стоят 20 мкф и 2 мкф а таких конденсаторов уже нетСформулируйте точнее. Какие конденсаторы вам кажутся нестандартными?
Сформулируйте точнее. Какие конденсаторы вам кажутся нестандартными?
брат у тебя нет печатной схемы на u87Сформулируйте точнее. Какие конденсаторы вам кажутся нестандартными?
если вам страшно ставить 2,2 и 22 мкф, то сделайте в параллель 1+1 и 10+10 мкф.там на схеме стоят 20 мкф и 2 мкф а таких конденсаторов уже нет
Коммерческая.брат у тебя нет печатной схемы на u87
спасибо а не подскажите на какой транзистор можно заменить S2436если вам страшно ставить 2,2 и 22 мкф, то сделайте в параллель 1+1 и 10+10 мкф.
плс помоги я с узбекистана просто я сам не так уж шарю в этом я просто для себя хочу собратьКоммерческая.
брат дай котакт свой чтоб смог по телеграму связатьсяКоммерческая.
а что делать добро лбдям это западло ?гм... Какой великолепный образец темы "Научите меня жить за пять минут бесплатно и без регистрации"...
у меня платного жаргона нет я искрени прошу у людей и мои намерения не зарабатывать эти просто хочу для себя собрать я спрашиваю у знаюших людей так как сам незнаю об этом да мечтаю собрать и я вроде вежлево если гдето увидели не вежлевость то прошу извините я просто сам не руский я с узбекистана был бы очень презнателен@maksim8171, есть такая вещь, как чувство меры. Вряд ли вы каждый день ходите в самую пафосную чайхану махалли и требуете накормить вас бесплатно.
Так вот, попросить совета - то одно, а задолбать просьбами человека, проделавшего определенную РАБОТУ и теперь с этой работы пытающегося зарабатывать мелкосерийным (по факту штучным) производством - это несколько другое.
Уж не знаю, насколько понятно объяснил.
И... старайтесь как-то без блатного жаргона, а? Пожалуйста.
-это специально отобранные 22мкф и 2.2мкф , это ведь ноймантам на схеме стоят 20 мкф и 2 мкф а таких конденсаторов уже нет
просто хочу собрать рабочаю микросхему так как у меня нету финансов на майк хотел сам собратьу меня платного жаргона нет я искрени прошу у людей и мои намерения не зарабатывать эти просто хочу для себя собрать я спрашиваю у знаюших людей так как сам незнаю об этом да мечтаю собрать и я вроде вежлево если гдето увидели не вежлевость то прошу извините я просто сам не руский я с узбекистана был бы очень презнателен
еслиб люди мне помогли
хотите сказать 20мкф и 2мкф они есть 22и 2.2?-это специально отобранные 22мкф и 2.2мкф , это ведь нойман![]()
-т.е сразу вот надо нойман U87 собрать, другие варианты не катятпросто хочу собрать рабочаю микросхему так как у меня нету финансов на майк хотел сам собрать
-это вообще то шутка была , а так абсолютно без разницы хоть 3.3мкф и 33мкф туда ставьте если влезут , кстати а почему номиналхотите сказать 20мкф и 2мкф они есть 22и 2.2?
хотите сказать 20мкф и 2мкф они есть 22и 2.2?
ну да собирать то собирать нормальный майк ваще хотел собрать-т.е сразу вот надо нойман U87 собрать, другие варианты не катят
-это вообще то шутка была , а так абсолютно без разницы хоть 3.3мкф и 33мкф туда ставьте если влезут , кстати а почему номинал
5 мкф у вас не вызвал вопросов?
Купил бы у Aikman клон Neumann....всего то ничего по ценетак как у меня нету финансов на майк
5 мкф есть у меня изо этого-т.е сразу вот надо нойман U87 собрать, другие варианты не катят
-это вообще то шутка была , а так абсолютно без разницы хоть 3.3мкф и 33мкф туда ставьте если влезут , кстати а почему номинал
5 мкф у вас не вызвал вопросов?
-это ж сколько лет этому кондюку , весь синюшно-скрюченный небось5 мкф есть у меня изо этого
Ему не нужен майк. У него аудиоинтерфейса нет.Купил бы у Aikman клон Neumann....всего то ничего по цене
-во встроенку воткнутьЕму не нужен майк. У него аудиоинтерфейса нет.
я с ним общялся хороший чел но я хочу собрать винтаж а он собирает aiКупил бы у Aikman клон Neumann....всего то ничего по цене
у меня аудио интерфейса 2 digi rack 003 и apollo twin и микрафон есть роде к2 с трубкой от сименсЕму не нужен майк. У него аудиоинтерфейса нет.
просто хочу чисто для себя собрать ю87Ему не нужен майк. У него аудиоинтерфейса нет.
плс подскажи брат на какок й транзистор можно заменит s2436-- Да. Просто некогда перешли на стандерт обозначений по ряду Е6: 1; 2,2; 3,3; 4,7; 6,8; 10.
А вообще - оно пох абсолютно, т.к. у электролитов обычно допуски примерно -20% .... +50%.
А то и больше.