Ремонт синтезатора Yamaha PSR 640

Кэнон

Active Member
6 Янв 2014
486
66
28
Здравствуйте, есть у меня в наличии помимо станций, еще такой синтезатор с автоаккомпаниментом это Yamaha PSR 640
Лежал несколько лет не тронутым в коробке. Причины побудившие меня взяться за ремонт было Две :
1) Не работающие или плохо работающие клавиши (клавиатуры)
2) Нет звука из Woofer -ов т.е. НЧ динамиков, высочастотники работают

С первым пунктом я разобрался ,не сразу правда,-причина банальная -стерся токопроводящий слой на контактах,резинки целые без видимых повреждений.
Отшлифовал контакты платы, ( сорри! ) туалетной бумагой. Опыт по ремонту клавиатуры у меня был.
Вторая неисправность пока не решена.вот ее суть:
Если подключить разёъм НЧ на плате , то синтезатор сразу выключается-включается-выключается ,дисплэй начинает мигать , в динамиках короткий низкочастотный гул ;
-Пришлось отсоединить от платы,вынув разъём. см. рис.1
Звук с наушников воспроизводиться с гуденим, независимо от положения патенциометра громкости.
Внешний осмотр на выявление каких либо повреждений шлейфов,вздутости кондеров,потемнения элементов, окисления дорожек и т.п. положительных результатов не дал.
даже при легком касании шлейфов слышен треск ,фон , в наушниках, Звук на максимум сильно искажен

Мои предположеия : неисправность микросхемы вых.усилителя
или ее цепи рис.2

к сожалению осцилографа теперь нет в наличии и паяльной станции ,поэтому не рискую с паяльником лезть

У кого какие есть предположения, может дадите намёк ,куда дальше рыть,?!
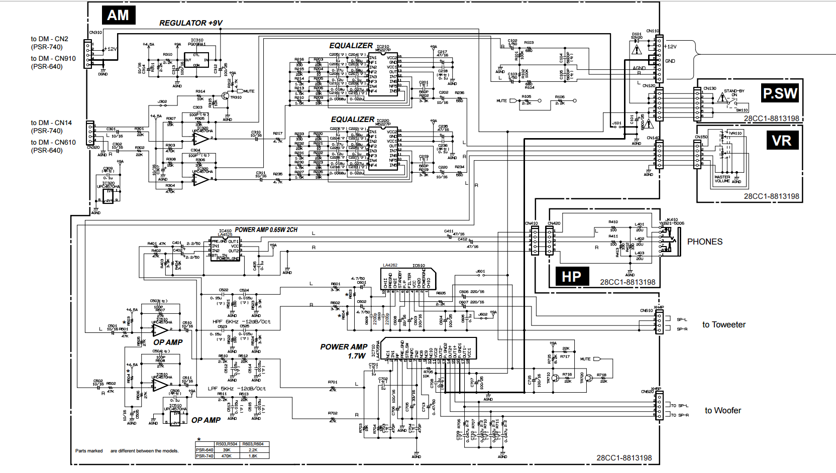
Да,кстати вот электрическая схема ,звукового модуля (скринщот) см. рис. 3
 

Вложения

  • 1.png
    1.png
    3,3 MB · Просмотры: 485
  • 2.jpg
    2.jpg
    538,9 KB · Просмотры: 569
  • 3.PNG
    3.PNG
    315,8 KB · Просмотры: 1.687
Последнее редактирование:
по ремонту токопроводящих резинок могу посоветовать лак Контактол .. смазать то, что Вы тёрли бумагой... потому что мне кажется "эффект бумаги" не долго продлится.. хотя...
 
да я тоже скептически относился к терке бумагой, но все же как то раз попробовал и был удивлен.
на подозрительные контакты платы нанес граффит карандашом а потом осторожно затер той самой бумагой и клавиши заработали..видимых повреждений резинок не было то и менять их- пустая трата денег!
а за совет благодарю все равно..
 

Сейчас просматривают