Переделка мониторного микшера

Sam Strike

Member
27 Окт 2014
37
1
8
32
Москва
Уважаемые коллеги, помогите советом!
Купил себе вот такой мониторный пультик http://www.music-expert.ru/index.php?productID=186469&ymclid=71274132267679218430008 и столкнулся с проблемой: При подаче линейного сигнала на мониторный вход, наушники в 32 ома звучат недостаточно громко даже при выкрученной ручке громкости на на полную. И так же микрофонный вход хотелось бы переделать под инструментальный, так как он перегружает, если в него включить бас гитару. И хотелось бы избавиться от сильного шума, которым сопровождается работа этого устройства. Может сопротивление какое то поменять на входе или выходе, или вообще микросхемы заменить? Я не радиоинженер, особо в этом не разбираюсь, так, догадки... Вещь для работы удобная, но получилось так что не пригодная))
 

Вложения

  • DSC07488.JPG
    DSC07488.JPG
    3,6 MB · Просмотры: 238
  • DSC07489.JPG
    DSC07489.JPG
    1,2 MB · Просмотры: 248
  • DSC07490.JPG
    DSC07490.JPG
    4,2 MB · Просмотры: 228
  • DSC07495.JPG
    DSC07495.JPG
    4,1 MB · Просмотры: 235
  • IS-33481-MA400_P0491_Front_XXL.jpg
    IS-33481-MA400_P0491_Front_XXL.jpg
    173,2 KB · Просмотры: 234
Это конечно моё личное мнение, но большинство девайсов этого производителя непригодны для использования, а возможно и все)
 
  • Like
Реакции: Spartak
Это конечно моё личное мнение, но большинство девайсов этого производителя непригодны для использования, а возможно и все)
Вопрос цены... Меня устраивает, а переделывать и более дорогие бренды приходилось))
 
-- Неистребимо желание русского человека "купить на грош пятаков"...

Цитата:
Ко всей продукции Берингер применимы следующие реплики:
перед покупкой:
"- Офигительно за эти деньги!"
и уже после покупки:
"- А чего вы хотели за эти-то деньги?"
 
  • Like
Реакции: Spartak и Phonexx
@Sam Strike, и правда вопрос цены. Одни детали, чтоб переделать, будут стоить дороже всего этого недоразумения, не говоря уж о стоимости работы и вообще гемора. Не стоит оно того, и не возьмется никто.
 
-при 12 вольтовом питании ничего хорошего сделать практически невозможно,единственно заменить фуфловые
оу которые внутри на что-нибудь приличное, может и зазвучит( для советов нужна схема или хотя бы фото внутренностей)
-единственно что можно посоветовать это оставить корпус , а внутренности собрать по новой как положено в
нормальных про устройсвах
 
-при 12 вольтовом питании ничего хорошего сделать практически невозможно,единственно заменить фуфловые
оу которые внутри на что-нибудь приличное, может и зазвучит( для советов нужна схема или хотя бы фото внутренностей)
-единственно что можно посоветовать это оставить корпус , а внутренности собрать по новой как положено в
нормальных про устройсвах
Да меня даже шум в общем то устраивает, если его нельзя заменить то и фиг с ним.
Главное один вход хотелось бы сделать громче, а второй тише, чтобы гитарой не перегружался.
Вот еще фотографии, а обратная сторона и вторая плата есть на фотках в первом посте
 

Вложения

  • DSC07497.JPG
    DSC07497.JPG
    4,6 MB · Просмотры: 202
  • DSC07498.JPG
    DSC07498.JPG
    5,5 MB · Просмотры: 187
-что там на ic1 и ic2 написано ? на фото не видно
К сожалению не читабельно, надписи плохо пропечатаны или как будто затерты. А если так и не смогу маркировку найти, по фотке, что куда идет от ОУ даташит возможно определить?
 
А если так и не смогу маркировку найти, по фотке, что куда идет от ОУ даташит возможно определить?
По фото- это к медиуму надо. А так, схему с платы снимать. Тут проще полностью, с нуля, переделать, как @digilab2 сказал выше.
 
Наверняка там сдвоенные ОУ в восьминогом корпусе применены в виде smd монтажа. По идее можно коэффициент усиления скорректировать заменой номинала резисторов в обратной связи ОУ. Но на smd монтаже очень плата изуродуется. Цоколёвка у восьминогих сдвоенные ОУ стандартная в подавляющем большинстве случаев. Резистор между выходом и инвестирующим входом заменить и можно сделать усиление какое надо. Увеличение номинала резистора увеличит усиление. Но это надо лезть , понимая что то в электронике. Потенциометры регулирования громкости могут уже в этих цепях стоять. Либо просто как делитель напряжения включены после выхода ОУ.
 
инвестирующий это ТС (в бизнес берингера). А вход инвертирующий )) Прямо по Фрейду оговорка ))
 
Разработать и слепить правильный прибор с такими функциями - день работы.
Симпатичные коробки есть в продаже - дизайн будет не хуже бехра.
Зато звук - как постараешься. В принципе - на пределе теоретического качества и задёшево...
 
К сожалению не читабельно, надписи плохо пропечатаны или как будто затерты
-это лазерная насечка , протрите сверху спиртом или водкой и под определенном угле к свету все будет видно, еще
воспользовайтесь лупой как вариант
 
-чего и следовало ожидать
-тот оу который идет на уши надо заменить на opa1662 ( еще лучше opa1688) , тот который на вход opa1612 если
будете использовать как микрофонный вход, если задумаете сделать инструментальный то ada4610-2
-чтобы дать дальнейшие советы необходима схема устройства ( или само устройство)
 
  • Like
Реакции: Sam Strike
-чего и следовало ожидать
-тот оу который идет на уши надо заменить на opa1662 ( еще лучше opa1688) , тот который на вход opa1612 если
будете использовать как микрофонный вход, если задумаете сделать инструментальный то ada4610-2
-чтобы дать дальнейшие советы необходима схема устройства ( или само устройство)
Спасибо!
И по идее после замены этих ОУ на те, что вы посоветовали, громкость мониторного входа усилится, а инструментальный перегружать не будет? По обвязке ничего можно и не переделывать?
 
-нет конечно обвязку тоже надо менять , но это как правило просто резисторы других номиналов, для этого
собственно и нужно снять схему, рекомендованные оу просто сразу вам сделают приличный звук
-да и еще гитару в микрофонный вход включать нельзя ( если она пассивная) он для этого не предназначен , нужен специальный инструментальный с rin>500kohm
 
Последнее редактирование:
  • Like
Реакции: Sam Strike
Разработать и слепить правильный прибор с такими функциями - день работы.
Симпатичные коробки есть в продаже - дизайн будет не хуже бехра.
Зато звук - как постараешься. В принципе - на пределе теоретического качества и задёшево...
А где можно взять схему прибора с таким функционалом, чтобы заново спаять?
 
-- Скажем, что странно оно - зачем вход +40 дБ? Это же почти 80 вольт!
(что соответствует примерно 1,5 квт мощности на 4 ома.)
(Хотя там всё настолько криво описано, что могу и ошибиться.)
А "крутых штук" за 87 долл. просто не бывает.
Это цена http://www.ebay.com/itm/Rolls-PM351-3-Channel-Personal-Monitor-Station-Headphone-Mix-/221540014515
350-го - не нашёл.
 
-- Скажем, что странно оно - зачем вход +40 дБ? Это же почти 80 вольт!
да уж... тоже думал, что опечатка - но нет, написано что другие модели тоже имеют Max Input Level +40 dB Line, +15 dB Instr:
http://www.rolls.com/pdf/M_PM350b.pdf
http://www.rolls.com/pdf/M_PM351.pdf

очень странный девайс... хотя вот некоторые умудряются подключать его к выходу на динамики - может, для них и делали? :eek:
https://www.talkbass.com/threads/rolls-pm350-input-level-question.700012/

> I run direct to the PA, and use a Rolls PM350 and hard-wired IEMs as a monitoring system. The PM350 has a line level input for external monitor input; my problem is that I often can get only a speaker level feed. The PM350 allows +40 dB maximum line input, and I've been using it with the speaker level feed... Am I running a risk of frying the mixer with the speaker level input?

> I can usually get a line level feed at our usual venue and at one other venue with an accomplished soundman. At other venues, the soundmen know just enough to set up the floor wedges, and all I can get is a series feed out of the last wedge at speaker level.
 
Это наверное, если громкость (там пот на входе) выкрутить на минимум ;-)
 
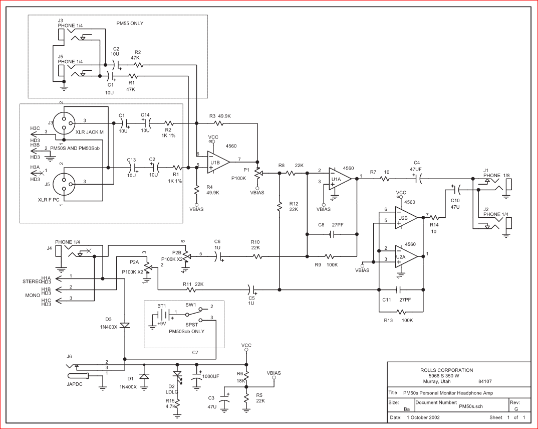
Еще вот такую модель нашел, ее функционал такой же как и у беринджера. Возможно тоже так себе, но тут зато схема есть. Уважаемые форумчане, можете подсказать, что на что в ней заменить, чтобы более менее прилично вышло?
 

Вложения

  • прибор.PNG
    прибор.PNG
    85,3 KB · Просмотры: 194
  • прибор3.PNG
    прибор3.PNG
    70,7 KB · Просмотры: 191

Сейчас просматривают