Усилитель Clear Sound Amplifier (CSA) (5 онлайн)

  • Автор темы Автор темы Schmidt
  • Дата начала Дата начала
Так а чем тогда ИК пульт то не катит??? )))
Да лично мне все катит, можно даже сказать: -фонтан полнейший. Правда приложения для телефона никак не могу найти.:)

PS. Кстати, наверное есть смысл выложить фото пульта ду, а то люди спрашивают в личных сообщениях, как он выглядит, и ест ли вообще.
 
  • Like
Реакции: mexap
PS. Кстати, наверное есть смысл выложить фото пульта ду, а то люди спрашивают в личных сообщениях, как он выглядит, и ест ли вообще.
Вот, кстати, да! Сделаю фото в ближайшее время, спасибо за подсказку!, а их, пультов, между прочим, два вида ) ну, или даже три...
 
  • Like
Реакции: stas_ugnivenko
совсем другое тактильное ощущение
Тут ещё с этим пультом другая проблема остро стоит - ему для работы требуется прямая видимость с рековым девайсом, а это жопа полная сразу. Не получится девайс положить куда-нить на пол под стол и пользоваться пультом.. А с проводной крутилкой получится!
 
  • Like
  • Haha
Реакции: DAZZER, mitinglas и mexap
система зеркал должна помочь
Да, что-то об этом я не подумал! Вношу предложение - опционально добавить в комплект к волюминосу систему зеркал для установки волюминоса не в прямой видимости!
 
И систему кривых зеркал для особо изощрённого размещения волюминоса гденть на антресолях за старыми валенками под тазом
А вот неча так ставить! Надо ставить на самом видном месте, чтобы все видели! ) А там и зеркала, глядишь, не понадобятся. Ишь ты! Валенки за тазом.
 
  • Like
Реакции: Catcher Sounds и buncker
Помимо вк, нигде больше нельзя посмотреть ваши усилители?
 
Помимо вк, нигде больше нельзя посмотреть ваши усилители?
Добрый! Если вы про сайт - мы в процессе. Если вживую - в Москве есть демоаппараты - можно брать и слушать.
 
  • Like
Реакции: Radiocaster и Arlekin
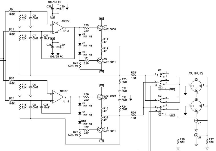
При выходном напряжении 2В RMS на нагрузке 600 Ом - 4,7 мА
А такой буфер не подскажете, сколько может выдать (вход усилка - 10 кОм)?
Это выход одного дорогого преда на PGA2310, кстати.
PS Buff.JPG

И какое у него выходное сопротивление тоже не мешало бы узнать. Во всём интернете характеристик не нашел, а пред этот уже снят с производства.
 
Последнее редактирование:
А такой буфер не подскажете, сколько может выдать?

Абсолютный максимум будет 15В пикового напряжения на выходе операционника / ( 100ом на выходе всего преда + 47ом в эмиттерах повторителей) = 100мА. Но это уже ограничение полное.
[automerge]1631541598[/automerge]
И какое у него выходное сопротивление тоже не мешало бы узнать.

Считайте, что 100ом и определяется только самыми последними резисторами.
 
  • Like
Реакции: mexap и DAZZER
а пред этот уже снят с производства.

И Вам его советую выкинуть. Например из-за 100/82кОм резисторов в цепи ООС выходного каскада. Мало того, что сами резисторы шумят (4мкВ в полосе 20кГц), так еще и входной шумовой ток 1.5пА/корень_из_Гц создает шум порядка 10мкВ в полосе 20кГц, так еще и не самый радостный вариант с точки зрения АЧХ при паразитных всяких емкостях.
 
А такой буфер не подскажете, сколько может выдать (вход усилка - 10 кОм)?
Это выход одного дорогого преда на PGA2310, кстати.Посмотреть вложение 206709
И какое у него выходное сопротивление тоже не мешало бы узнать. Во всём интернете характеристик не нашел, а пред этот уже снят с производства.
Если эта схема полная: выходное сопротивление 100Ом, выходной ток короткого замыкания до 100мА.
 
  • Like
Реакции: DAZZER
И Вам его советую выкинуть. Например из-за 100/82кОм резисторов в цепи ООС выходного каскада. Мало того, что сами резисторы шумят (4мкВ в полосе 20кГц), так еще и входной шумовой ток 1.5пА/корень_из_Гц создает шум порядка 10мкВ в полосе 20кГц, так еще и не самый радостный вариант с точки зрения АЧХ при паразитных всяких емкостях.
И что, с этим ничего там нельзя поделать? Я его как раз только собрался покупать, т.к. отзывы все были исключительно положительные :Dle80:
Был слух, что сняли с производства, мол потому, что было слишком дорого производить, чтобы продавать по таким ценам, как они продавали :Dle46:
Придётся обходиться SPL Volume2...
Спасибо за подсказку!
 
Последнее редактирование:
А я его как раз только собрался покупать
Придётся обходиться SPL Volume2...

Я не очень понимаю, зачем это все. Подключите выход аудиоинтерфейса прямо к выходному усилителю, только в интерфейсе оптимально сделать так, чтобы его 0dBFS соответствовал входу в ограничение выходного усилителя. Обычно это +4dBU для, например, концертных усилителей. Не знаю, где как, но в RME ADI-2 FS такой переключатель вполне есть.

И регулируйте себе громкость непосредственно в цифре. Это будет самый лучший вариант.
 
  • Like
Реакции: Ми-Фа, mexap и DAZZER
В цифре мне приходиться снижать громкость аж на 50 дБ.
Я не очень понимаю, зачем это
мне так объяснили:
UncleStas123 написал(а):
Пред должен создавать благопрятные условия:
1) для источника, чтобы источник думал, что работает без нагрузки
2) для мощника, чтобы мощнику казалось, что работает от источника тока
 
В цифре мне приходиться снижать громкость аж на 50 дБ.

Что у Вас за интерфейс? 50дБ - это в 300 раз по няпряжению. Откуда у Вас там такое лишнее усиление?

мне так объяснили:

Фигня там про источник тока написана.
 
-- AD827 оптом - около 9 долл. Вряд ли это безумная цена.
Вот номиналы - точно, безумные. У этого ОУ входной ток - до 7 мка.
 
Последнее редактирование:
У этого ОУ входной ток - до 7 мка.

Это не самое страшное. В обоих входах одинаковые сопротивления. Разность этих токов - вот она будет приводить к смещению выхода, но она на пару порядков меньше, никто не помрет от этих нескольких десятков мВ.
 
кстати после приобретения определегнного аудиофильского опыта, было бы интересно послушать CSB на очень толстом медном сетевом проводе. Он его чуток замедлит и даст мяса (относительно стандартного китайского). возможно будет очень даже интересно
Насколько я понимаю ребята очень сильно заморочились с очисткой питания-что дало невероятную прозрачность (реально один из самых прозрачных усилителей ( да ладно самый прозрачный), но и при этом исилитель приобрел некоторые особненности в плане скорости и ачх (даже не ачх а ее восприятия)
 
  • Like
Реакции: bukvarev, wolfire и mexap
@SKlogic, а на чём же вы остановились, в конечном итоге, для своих мониторов PMC, если не секрет?
И чем всё-таки не устроил CSL?
 
@SKlogic, а на чём же вы остановились, в конечном итоге, для своих мониторов PMC, если не секрет?
И чем всё-таки не устроил CSL?

ну для пмс мне нужен был просто более мощный усилитель. В данный момент это bryston 4bsst2
Но чтобы он хотя бы примерно зазвучал с похожей на CSl прозрачностью очень сильно пришлось поиграться с проводами.
В целом CSB самый впечатляюще звучазщий усилитель по пространствам и сцене но и минусы для меня тоже есть (но вот тоже не знал что можно попробовать поиграться проводами, ибо считал все это чушью как и 99% сидящих тут)
 
А где Pass Labs 150.5?
ЗЫ. Ну транспарент кабель же купил, значит не считал чушью всё же.
 
А где Pass Labs 150.5?
ЗЫ. Ну транспарент кабель же купил, значит не считал чушью всё же.
к большому сожалению я его продал-супер усилитель-но творческие поиски. но он тоже по мощности не особою. PMC не танной
а человек который купил тут же его спалил-на включенный усилок подсоединил на нагрузке акустику и все,,, кирдык
 
  • Wow
Реакции: mexap и REALист

Сейчас просматривают