Rectifier VST - Amp Sim by NaLex

  • Автор темы Автор темы Lex248
  • Дата начала Дата начала
Статус
В этой теме нельзя размещать новые ответы.
такой мод не попадался?
 

Вложения

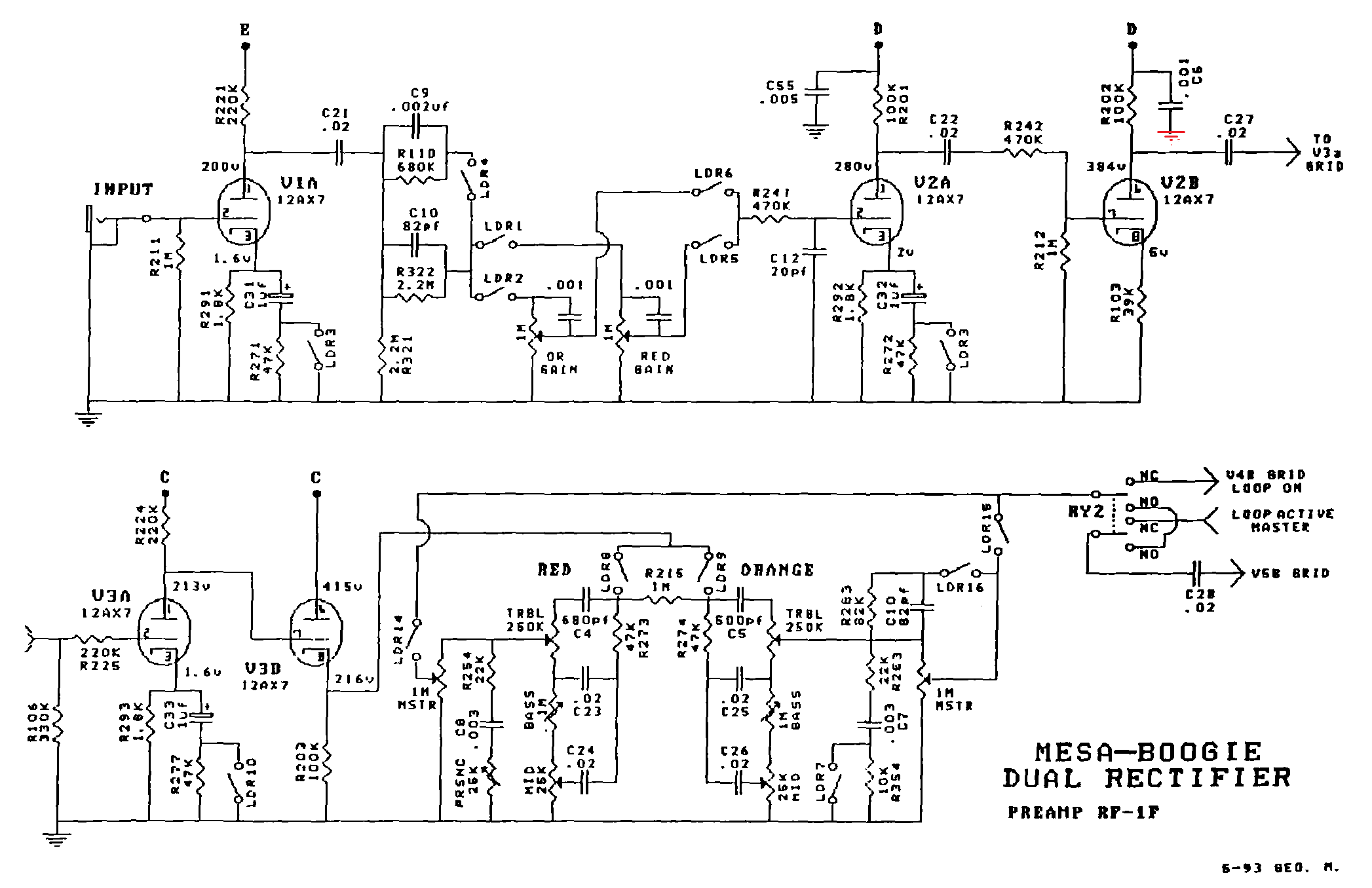
  • dual_rectifier_1.png
    dual_rectifier_1.png
    82 KB · Просмотры: 251
  • Like
Реакции: Lex248
Интересно, кто-нибудь ещё юзает Маки с процессором PPC для звуковой обработки?
 
Ещё новость. У меня появилась возможность сделать плагин для iOS. Но я пока не изучал эту тему вплотную. Там ведь тоже какие-то DAW и хосты есть или как?
 
Последнее редактирование:
  • Like
Реакции: Nabastak
Audiobus в основном юзают для роутинга и подключения приложений
 
А ведь похож Pectifier по структуре перегрыза на ректу, прям вот поставил поиграть - ну явно есть сходство по ощущениям.
Тембрально конечно по ходу не то, возможно не было попытки "скопировать" темброблок. Ректифаеры - в них по низу хэдрум адовый просто, можно сказать избыток, а тут наваливать приходится. Вообще надо сказать, именно с "дуалками" давнее всего дело имел, но это всех ректифаеров касается с которыми довелось работать. Ну и в целом тонстек всегда по другому настраивал на них, на плаге с подобными настройками люто верха много получается.
А вообще, кстати, вот "дуалка" (и только она) имеет одну странную фичу, о которой, кстати, очень не многие знают и, по моему, никто пока еще её не симулировал. Ну по крайней мере мне об этом не известно. Короче на дуалках пресенс чистого канала влияет на канал перегруза в том числе)) Может оно в ампсимах и нафиг не надо, но теоретически можно оказаться первым кто подобное реализует в софте))
 
  • Like
Реакции: Schecter86
в дуал ректе необычный темброблок, потестирую эту особенность на ltspice
первым не получится, в ревальвере 4 влияет, проверил сейчас
также в ревальвере 4 три крутилки тембра грязного канала влияют на чистый
 
Последнее редактирование:
@Kosten
Резонанса просто нет встроенного. Надо или импедансную кривую или импульс низастый. У ректы ещё презенс сильно верх режет, даже если ручка по центру. Относитесь к пектифаеру как к среднему между ректой и SLO.

Уже не раз сравнивал с реампингом реальной ректы. Похожий звук наруливается. За динамические показатели точно не скажу, но мне нравится.
 
А вообще, кстати, вот "дуалка" (и только она) имеет одну странную фичу, о которой, кстати, очень не многие знают и, по моему, никто пока еще её не симулировал. Ну по крайней мере мне об этом не известно. Короче на дуалках пресенс чистого канала влияет на канал перегруза в том числе)) Может оно в ампсимах и нафиг не надо, но теоретически можно оказаться первым кто подобное реализует в софте))
Это есть в Digital Performer, в плагине Soloist (эмулятор Mesa Dual Rectifier).
 
А вообще, кстати, вот "дуалка" (и только она) имеет одну странную фичу, о которой, кстати, очень не многие знают и, по моему, никто пока еще её не симулировал. Ну по крайней мере мне об этом не известно. Короче на дуалках пресенс чистого канала влияет на канал перегруза в том числе)) Может оно в ампсимах и нафиг не надо, но теоретически можно оказаться первым кто подобное реализует в софте))
На электросхеме видно, почему так происходит. Правда схемы разные бывают. Там один презенс в цепи темброблока Red, а другой это классический презенс в цепи мощника.
 
Новый амп симулятор J800.
На основе преампа от Маршалл JCM800. Тестирую совсем новую технологию симуляции. Типа бета версии, без темброблока. Только для Windows.

 
При большом входном сигнале обнаружено зависание плагина с полным глушением сигнала. Пока не знаю почему.
 
При большом входном сигнале обнаружено зависание плагина с полным глушением сигнала. Пока не знаю почему.
возможно, из-за того, что нет темброблока, сигнал зашкаливает и DAW автоматически выключает плагин
 
@Lex248, без кода тут гадать не перегадать.
А код вряд ли выложен будет полагаю.
Но если не ключ от подвала золотом и платиной - то в личку закинь - попробую подсказать. Я ж полагаю оно уже не шейпер тупой раз в разнос идет?
 
При большом входном сигнале обнаружено зависание плагина с полным глушением сигнала. Пока не знаю почему.
Возможно какая то переменная выходит за допустимые границы и как один из вариантов происходит попытка деления на ноль. В режиме отладки всё можно посмотреть.
 
  • Like
Реакции: Schecter86
Новая версия J800 V1.1
Добавлен регулятор оверсэмплинга от 1х до 8х.

Возможно, плагин вылетает из-за большой нагрузки на процессор. Тем более, если делать сразу две звуковых дорожки.

 
  • Like
Реакции: GPB
Новая версия J800 V1.2
Устранена проблема, связанная с некоторыми хостами, в частности Рипер.

 
  • Like
Реакции: Schecter86 и GPB
Статус
В этой теме нельзя размещать новые ответы.

Сейчас просматривают