усилитель наушников на TPA6120 - подключение питания

5 раз написал, что актуальна более чем, примеры привёл, но ... :(
не увидел, где написал 5 раз и примеры? Смотрю видос на ютубе, рассинхрона звука с изображением не ощущаю, какие еще заждержки? Я же не музыку на ней пишу.
 
и именно эта задержка меня теперь и интересует во всех DAC. Именно про неё и и спрашивал.
в pdf все указано на все цап , и для всех типов фильтров , т.к есть фильтры типа slow там задержка меньше но соответственно
внеполоска меньше подавляется , вообще маленькая задержка на самом чипе цап как правило означает вовно цифровой фильтр,
т.к там все однозначно для fir фильтров чем больше отсчетов обрабатывается т.е длина фильтра больше тем он лучше( имеет большее подавление в полосе затухания)
-в ак4490 там по моему шесть типов фильтров можно выбрать , другое дело предусмотрены ли в рме эти переключения, я думаю вряд ли
т.к PRO обычно это фильтр sharp
 
Последнее редактирование:
- в pdf все указано ... вообще маленькая задержка на самом чипе цап
- другое дело предусмотрены ли в рме эти переключения,
В моём примере, довольно популярной и дорогой ASUS Essence One, нигде ни в каком pdf, даже в обзорах не было ни слова о отвратительной задержке, делающей этот прибор (готовый прибор, а не хороший чип РСМ1795 !) не рабочим для занятий музыкой. Для музыкантов был такой "сюрприз".

Китайцы, особенно с Алика, очень любят в свои устройства добавлять свисто-перделки всякие EQ, 7.1, "объёмный звук" и т.п. блютузы - что опять скажется на преобразовании. Для кино не заметно, а играть - невозможно.
 
-ну история с аsus там повесть о дровах а не о чипах
- у них там даже получше вариант был на рсм1794 и сs5381 с таким же казусом
-ну у китайцев славу богу вроде все свистоштуки там отключаемы но с дровами тоже не так все просто да и мертвяка много
 
В моём примере, довольно популярной и дорогой ASUS Essence One, нигде ни в каком pdf, даже в обзорах не было ни слова о отвратительной задержке

так там же поток по USB идёт, значит задержка обеспечена
минимальная задержка у старого PCI слота была, так-как он напрямую с шиной данных работал
PCI Express уже работает через виртуальный мост с шиной данных и задержка больше из-за этого.
 
Последнее редактирование:
нет-нет-нет, ни каких "дров"! речь исключительно про работу в режиме DAC
ну как никаких дров , с рсie инфа же не сама собой идет , а у них там контроллер какой то свой стоит на шину pcie, а дрова asio для него очевидно вовно ,а так у самого pcm1795 задержка 38/fs то бишь для 44.1кгц 0.86мс
-работа в режиме чисто dac это шина i2s она синхронная и никаких задержек вообще нет ну кроме самого dac
 
Последнее редактирование:
-работа в режиме чисто dac это шина i2s она синхронная и никаких задержек вообще нет ну кроме самого dac

вы не подскажите, протокол i2c он стандартный для всех устройств, или для каждого DAC свой протокол придумывают?
просто на каком-то форуме человек просил на крутом CD плеере старом заменить CD привод картой памяти,
заменяющей поток данных с CD привода и спрашивал можно ли это сделать и сколько будет стоить,
какой-то инженер сказал, что надо спец.оборудование ловить сигналы на DAC, расшифровывать их,
потом программировать микроконтролер под эти команды и зарядил за это 70 тыс.руб., человек отказался ))
 
@disscuss
I²S — стандарт интерфейса электрической последовательной шины, использующийся для соединения цифровых аудиоустройств.
Стандарт.
А цену адекватную зарядили, если готовых устройств нет. Я бы сказал, что может даже и дёшево :)
 
i2c-это двухпроводная стандартная шина для передачи данных она синхронная но в общем медленная, есть еще синхронная spi
и еще варианты эти уже скоростные, в аудио кроме i2s есть еще варианты LJ и RJ все они четырехпроводные ( mclk bck lrck din/dout)
все они синхронные и отличаются местоположением бит данных ( 32бит) и полярностью lrck, RJ сейчас практически не используется
т.к это стандарт еще вышел из старых 14-20 бит цап r2r
какой-то инженер сказал, что надо спец.оборудование ловить сигналы на DAC, расшифровывать их,
потом программировать микроконтролер под эти команды и зарядил за это 70 тыс.руб
проще и дешевле купить плейэр или телефон ( первое есть весьма неплохого качества)
 
Последнее редактирование:
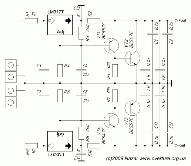
Вот допилили схемку на основе той, которая "супер-пупер", пост №6 из другой темы. Проверьте плиз по узлам.
 

Вложения

  • uselok.png
    uselok.png
    44,9 KB · Просмотры: 207
Речь не идет о диодах? Если да, то их не стали ставить, потому что риск короткого замыкания нулевой. Или что-то другое?
 
да имейте ввиду у lm317 и lm337 цоколевки разные, подстроечники лучше заменить на постоянные резисторы сразу на нужный вольтаж
на выходе емкости 470мкф, и на входе и выходе обязательно должна стоять керамика на землю возможно ближе к ножкам 0.1 -0.47мкф
ну и выводы adj( 1 на вашей схеме) через 220мкф на землю( паралельно подстроечникам) и паралельно резисторам 220ом защитные
диоды 4148 ( см пдф) , если у вас выходная емкость меньше входной то защитные диоды мкжду выводами 3 и 2 не нужны
-выводы 3 у 2156 через резистор на землю регулятор громкости rh2702 50ком, емкости в интеграторах пленка епкос 0.47-1мкф ( 5мм)
-я бы вообще несколько по другому питание организовывал в усе для ушей , на выходе стабов достатчно 220мкф , а вот питание каналов разделили бы через rc фильтры 1-2ом 1000мкф ( рядом с lme 49860 тогда защитные диоды оставляем в стабах) ну и в стабах ввел бы перекл питания например 7.5в ( для низкоома ) и 15в для высокоома ну и r-c-r фильтры( 1ом 10нф 1ом) повесил бы на выход 49600 или fb
 
Последнее редактирование:
  • Like
Реакции: Al Soloviev
@Al Soloviev,

ну и выводы adj( 1 на вашей схеме) через 220мкф на землю

Ну и ещё один дружеский совет . Эти ёмкости (220мкф) сильно хорошо в начале не запаивайте . Без них , в итоге , звук вам может больше понравится . Особенно атаки
инструментов .
 
Последнее редактирование:
  • Like
Реакции: Al Soloviev
Биз 6их , в итоге , звук вам может больше понравится . Особенно атаки
инструментов .
-к звуку не имеют отношения влияют только на шум, на звук влияет величина и тип емкостей в питании 49600 , я ставлю 2 по 3300мкф
в наши телефонники на выход стабов и через 5.1ом-220мкф ( больше не лезет) каждый канал, но у меня крокодил корпус ора1688 в канал
в паралель , но по уму лучше на выход стабов 220мкф а на каждый канал по 3300 но фигвам миниатюризация электролитов еще
недостаточна
 
  • Like
Реакции: Al Soloviev
но по уму лучше на выход стабов 220мкф а на каждый канал по 3300

Вот тут полностью согласен . Лучше на выход добавить , чем на первую ногу . А по поводу слышно-не слышно , у меня на мониторах --слышно . А вы на чём слушали ?
 
  • Like
Реакции: Al Soloviev
-тут фишка зависит от многих причин эта емкость просто уменьшает шум ( шунтирование опорного источника ) но без нее реакция на
изменение тока у 317 становится скажем так вычурной так что может вам этот лишний дребезг и нравится в любом случае с моей точки зрения это плохо, меня там где я их пользую в первую очередь интересует малый шум , а шум она снижает прилично примерно с 300мквrms
до 23мквrms, если уж совсем по уму то вообще надо делать так, номинальчики только несколько другие ну и vt2 vt3 помощнее
это примерный зквивалент 33000мкф с очень быстрой реакцией на выходное изменение тока ну и естественно для каждого канала свой
capacitorless-630x547.gif
capacitorless-630x547.gif
 
Последнее редактирование:
  • Like
Реакции: Al Soloviev
@digilab2,
Без ёмкостей на управляющую ногу мне нравится в этой схеме её скорострельность . То-есть минимальная инерционность . Ну по шумам ,там всё понятно . Снижай выходное сопротивление , получеш меньше шум . Вот только на слух это не всегда хорошо , хотя , каждому - своё .
 
  • Like
Реакции: Al Soloviev
-317 337 разных производителей сильно отличаются , с моей точки зрения можно применять только родные lm и еще ons с ti
остальное все неадекваты кстати глянул сейчас пдф у родной lm c емкостью с аdj выбросы на выходе меньше на токовый импульс,
ну а если скорострельный стаб нужен малошумный то проще на оу собрать , кстати верхняя схема имеет очень широкую полосу
и шум у нее примерно 2мкв rms а то и меньше, т.к транзисторы это по сути паралельный стабилизатор на выходе последовательного
-недостаток один утюг т.к рабочий ток паралельника должен быть раза в полтора больше тока нагрузки
 
@digilab2,

Ну если 317 вполне можно найти нормальные , то 337 уже кучу выкинул на помойку . В чип и дипе несколько раз брал от разных производителей , и всё мимо . Под нагрузкой напруга уплывает в верх . В виду вышеупомянутых проблем , иногда применяю следующее решение :

211853
 
Последнее редактирование:
мы берем ons по моему в дко электронщике и те и те никуда вроде не плавает , к тому же оns одни из самых малошумных,
читал на веге народ там все почти что выпускается промерял, из 78хх и 79хх самые малошумные kia, про чип дип не скажу
там 337 только томсоны в последнее время а это отстой , они кстати еще и генерящие на низкой частоте попадаются ( пила примерно
100-200гц амплитудой 10-50мв) убирается только выходной емкостью в районе 220-470мкф , причина непонятна
 
  • Like
Реакции: коб
Приехали платы (меньше пяти не закажешь) и часть деталей, их тоже кучками продают. Скоро займемся сборкой.
 

Вложения

  • IMG-9c3b744d2316731e410a874080545f7c-V.jpg
    IMG-9c3b744d2316731e410a874080545f7c-V.jpg
    201,3 KB · Просмотры: 183

Сейчас просматривают