Забавная электроника. (5 онлайн)

  • Автор темы Автор темы Long
  • Дата начала Дата начала
"Изменился взгляд на проблему" - это забавно

-- Может, поумнели? :)

все проблемы с перекосами туда-сюда имеют место быть в совершенно штатном подключени.

-- Гм... 48 вольт от 5-в стаба - это ШТАТНОЕ включение? Ну, ну... :eek:
 
Юра говорит о том, что диоды надо подключать не прямо к шине питания, а к описанному им RC-фильтру - а сам преамп, как питался - так и питается...
-не преамп тоже к этому же фильтру, по уму туда еще tvs на 18в надо ставить , но и большой емкости хватает вполне
 
  • Like
Реакции: Tuvalu и Long
-- Гм... 48 вольт от 5-в стаба - это ШТАТНОЕ включение? Ну, ну...
Миш, все электронные компоненты - сущие эгоцентрики: им совершено пофиг, куда их вставляют. Их волнует только их собственное здоровье - лишь бы их не кормили тем, что в них не влезает.
И в данном случае это именно так...
 
И в данном случае это именно так...

- О чём уже давно и толкую: не надо кормить их тем, чем НЕ предназначено.

>им совершено пофиг, куда их вставляют

-- Гвоздю тоже пофиг, куда и чем его вставляют.
Тока лучше всё же забивать его в стену остриём, и не шляпкой... :)
 
Я се когда то делал фантом-стабилизатор на одном транзисторе, все было нормально.
На чем более продвинутом делают если не секрет?
 

Вложения

  • БП фантом 48 В.png
    БП фантом 48 В.png
    13,6 KB · Просмотры: 221
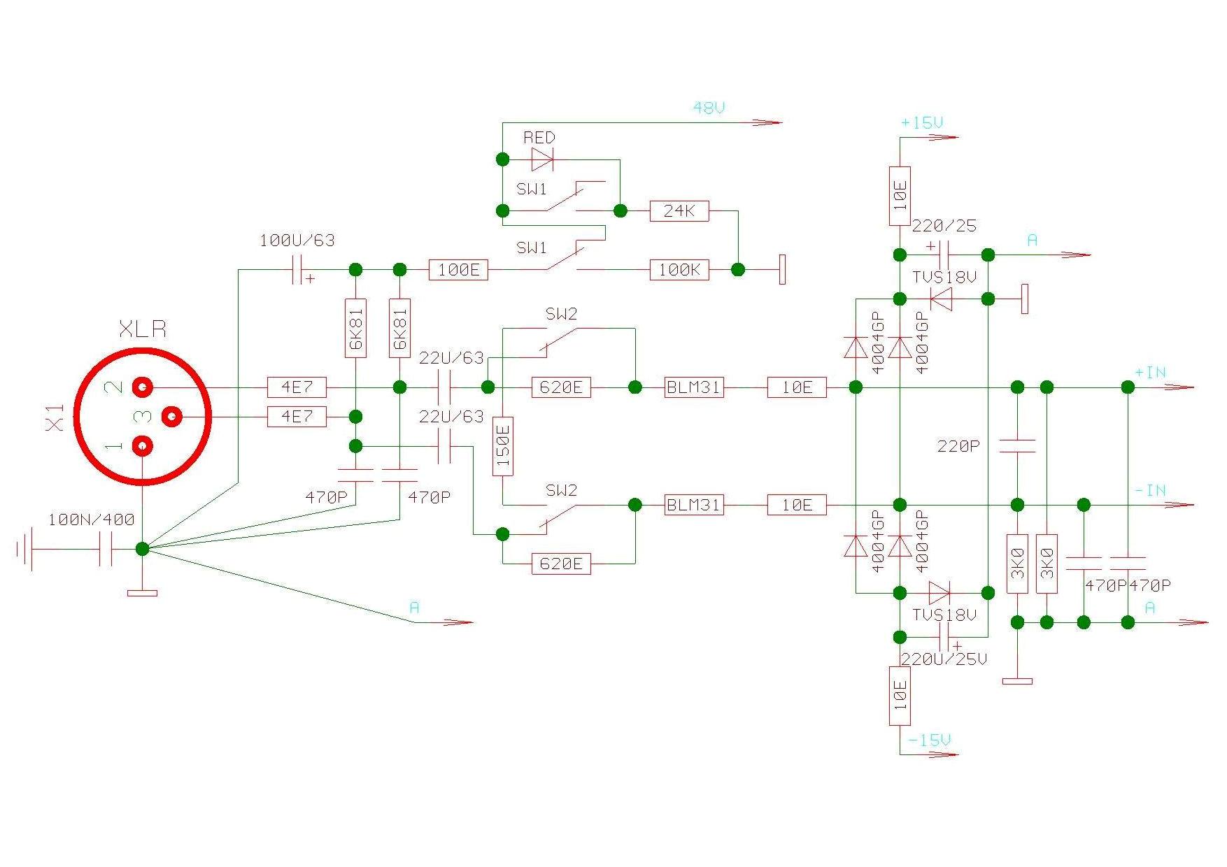
digilab2, спасибо! Вопрос был только про 10 Ом (справа на схеме). А питание выходного каскада преампа берётся тоже с этой точки? А в остальном, всё понятно, более-менее стандартная схема организации входа по максимуму. Кстати, а какие разделительные конденсаторы вы применяете? Да, и вообще, тип всех остальных - по питанию, ВЧ-блокировки, что там ещё...
 
-входные емкости либо wima mks4 либо полипропилен jfx ( для аудио) либо аналогичные китайские красные с надписью kondensotor ( по слухам mundorf)
-да питания преампа с емкостей, tvs можно не ставить , электролиты по питанию любые ( ставили nichicon kw , elna silmic 2 , hittano, jamicon ) разницы не
заметили , остальные емкости npo murata либо kemet соответствующего вольтажа, диоды любые glass passivated ( сейчас ставим diodes марку не помню
0.8а 4пф что-то в этом роде)
 
когда то делал фантом-стабилизатор на одном транзисторе, все было нормально
-- Строго говоря - это скорее не стабилизатор, а электронный фильтр.
А делать - я уже здесь раньше писал, на TL783, как все нормальные изготовители...
 
  • Like
Реакции: кактус и Ga_rY
Ещё в коллекцию "весёлых картинок".
БП фантома +48 вольт в Yamaha MGP12X:
Посмотреть вложение 121426
Приходилось чинить сей "шедевр" именно в этом месте. Тоже тогда "порадовался" за разработчиков.
И Ператрону когда - то схему критиковал именно за это же... Не поверил чёта...
 
  • Like
Реакции: Long
И Ператрону когда - то схему критиковал именно за это же... Не поверил чёта...
Дьявол прячется в мелочах - у меня блок питания такой, что он долго выходит на режим и по большому счёту у него силёнок не хватает что-то жечь.
Кроме того, по выходу и выходу у меня стоят ограничительные резисторы - токи подрезаны.

Я ещё раз говорю - здесь скорей брак самих комплектующих сказывается больше, чем несоблюдение ОБР...
 
-- Ну таки что - будем преклоняться перед буржуями, и восхищаться ихними же манагерами,
которые за копейку удавятся, а за гривенник - ж. подставят хоть на Красной площади?
Или всё же, как нормальные люди, использовать ПОЛОЖЕННЫЕ для данного применения детали?
 
За 50 килотонн ребята персональный корпоратив отрубят))) да ведёрко лично заплёванных шуров отгрузят)
 
>В другой город не пересылается
Пичялька-то какая. А я уже собрался брать
 
Из свежей рассылки продаж деталей.
Список, большой. В середине списка - такая вот строка:
КР572ПВ2 1 шт. 55р 89г. производство Рига. 1 вывод на половину обломан.
Упал под стол.
21 век, блин....

P.S. Рано упал - не дочитал.
Следующая же строка:
КР572ПВ2 6 шт. 60р 89г. производство Рига.
 
Ну так кт315 были чуть ли не единственными советскими транзисторами за которые не было стыдно... ножки неудобные, а применять можно и сейчас.
 
@Артем звук, 315 тые обычно предлагают ведрами... или баночками...)нет сейчас их я не применяю...нафик.
и везет д.Мише получать такие веселые рассылки, а мне только реле всякие да разъемы предлагают без веселости...
 
@Артем звук, Вы не поняли юмора.
Ну кому сейчас нужна отечественная микросхема с обломанной ногой?
Тем более, что добавив 5 рублей (цена одной сигареты!) можно взять нормальную...

315 тые обычно предлагают ведрами... или баночками...

-- Во Фрязино их в своё время продавали на базаре стаканами.
Ну, как семечки! ;)
 
  • Like
Реакции: кактус
Взаимоисключающие параграфы детектед:
"Лампа работает в режиме с сеточным током". "Большое входное R лампы в режиме повторителя ещё более увеличивается".
Т.к. оно чёрное, то оно белое, говоря проще.
 
>"Лампа работает в режиме с сеточным током"

-- Может, проще её, беднягу, сразу молотком охреначить?
Чтобы не мучалась...
 
Ещё раз о всемирном лоходроме:
Несмотря на свою экологичность, почти все бессвинцовые припои имеют меньшую текучесть (смачиваемость), чем оловянно-свинцовые.
Для улучшения текучести применяются флюсы со специальными составами. На данный момент ни один из бессвинцовых припоев не считается
полной заменой оловянно-свинцового. Ведутся дальнейшие исследования по разработке нового типа бессвинцового припоя.
Характеристики шва, выполненного бессвинцовым припоем, особенно после длительной эксплуатации, хуже, чем у припоев, содержащих свинец.

(Официальный сайт ROTHENBERGER RUSSIA)
 
  • Like
Реакции: cakeys и digilab2
315 тые обычно предлагают ведрами
Смешно наверное, но вспоминается следующее.
Когда-то когда я был подростком в 70-е в мою музыкальную школу закупили (привезли) электронный баян ЭСТРАДИН какой-то, дальше не помню цифры... Баян с электронным блоком весом под 20 кг к которому от самого баяна шел толстенный кабель ну и колонки. Поиграв на нем немного освоив и повыступав с ним на отчетных концертах (в качестве бонуса для зрителей) решил себе лично собрать такой же.
Нашел схему а там все на кт315, пошел в магаз - цена 1,50 руб.
На этом мои попытки сделать реверс-инжиниринг этого инструмента успешно закончились, потому как на 1,50 школьнику в 70-е можно было жить целый день.
 
-но давали то по рублю, копить надо было , я свой первый фузняк на 4 по моему транзисторах собрал где-то в 69 году
копил пару месяцев на детали , самое обидное через пару недель появился товарищ у которого отец на радиозаводе
работал , у него этих транзисторов резисторов диодов и конденсаторов куча дома была и просто так за бесплатно, тогда
помнится фэйзер собрали на фоторезисторах-обалдели просто от звука гитары
 

Сейчас просматривают