DIY. N-Monitors RM-6

ну вот
как я понял, на НЧ выше второго порядка не целесообразно? на ВЧ третий порядок нормально

наверное чем плавнее спад - тем лучше, не зависимо от качества фильтра

Чаще всего , так и есть .
 
@Radiocaster,

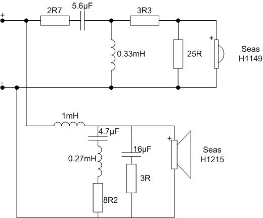
Прошу прощения , Был не прав , не посмотрел выше схему . Теперь понятно что там у вас собранно . Но провод на катушке НЧ (включённой последовательно с динамиком) всё равно слишком тонкий .

Успехов ....
 
  • Like
Реакции: wolfire и Radiocaster
@Radiocaster,
Но провод на катушке НЧ (включённой последовательно с динамиком) всё равно слишком тонкий .
Изначально хотел взять катушки с сопротивлением не более 0,3 ом, но доверился рекомендациям н-акустик с возможностью сэкономить
Катушки индуктивности:
обязательно БЕЗ СЕРДЕЧНИКА
. Например Jantzen или Mundorf, но можно и самому намотать.
Сечение, не менее 1мм (маркировка L100). Но на ВЧ можно катушку по-тоньше. с проводом 0,71мм (L71).
 
@Radiocaster,
Но провод на катушке НЧ (включённой последовательно с динамиком) всё равно слишком тонкий .
Надо 1mh менять? 0,27mh можно оставить?
N_Monitors_RM_6_Filter.jpg
 
@коб, у меня и корпус чуть отличается от проекта - глубина колонки на 4 мм меньше, а лицевая панель толще на 6-7 мм, т.е. в итоге внутренний объем меньше по глубине на 1 см. Как думаете это сильно влияет на ачх?
 
Сменил катушку на 1,5мм - бас стал глубже, как и прежде со старым фильтром. Не слабо повлияло на звук размещение синтепона внутри корпуса, по проекту должен быть синтепон, а у меня там только 5мм поролон был наклеен - добавил поверх него, серединка стала выделенней и аналитичней, что даже не привычно. Не знаю насколько это правильно и хорошо - покажет сведение.
 
  • Like
Реакции: коб
@коб, у меня и корпус чуть отличается от проекта - глубина колонки на 4 мм меньше, а лицевая панель толще на 6-7 мм, т.е. в итоге внутренний объем меньше по глубине на 1 см. Как думаете это сильно влияет на ачх?

Это влияние можно компенсировать звукопоглотителем . Просто его ещё добавить . А можно чуть перестроить фазоинвертор , то-есть немного удлинить проход .....
 
  • Like
Реакции: Radiocaster
@N-Acoustic, подскажите, а фильтр у вас где размещался, на задней стенке? там он довольно не маленький получается, синтепон в этом случае поверх фильтра класть?
 
  • Like
Реакции: wolfire
@N-Acoustic, подскажите, а фильтр у вас где размещался, на задней стенке? там он довольно не маленький получается, синтепон в этом случае поверх фильтра класть?
Вроде да, на задней стенке был. Синтепон можете прям на него класть - синтепон не проводит ток
 
  • Like
Реакции: Radiocaster
Вроде да, на задней стенке был. Синтепон можете прям на него класть - синтепон не проводит ток
Спасибо, что поделились проектом!
Вы меня вдохновили!
Сейчас собираю себе мониторы, купил в вуфер Dayton Audio ES180TiA - они стоят по 150$, но звук мне не нравится, он не мониторный совсем, нет глубины звуковой сцены, звучание плосковатое, как у бытовой акустики. Как оказалось еще, после прочтения Вашей темы - фактор ускорения у них - всего 0,353
Теперь думаю взять еще Seas H1215 или H1456 для сравнения. Может появится глубина звучания. :)

А может я просто что-то делаю не так? Что может влиять на глубину звуковой сцены в конструкции акустики? Соотношение сторон может?
 
Последнее редактирование:
Сейчас собираю себе мониторы, купил в вуфер Dayton Audio ES180TiA - они стоят по 150$, но звук мне не нравится, он не мониторный совсем, нет глубины звуковой сцены, звучание плосковатое, как у бытовой акустики
а какой вч?
 
Это влияние можно компенсировать звукопоглотителем . Просто его ещё добавить . А можно чуть перестроить фазоинвертор , то-есть немного удлинить проход .....
поставил по нормальному распушенный синтепон, плюс на заднюю побольше - вуаля, узнаю тот самый привычный мониторный звук, до этого серединка таки чуть торчала
 
  • Like
Реакции: коб
После переделки сводить нормально таки не вышло, особенно по низу, ФИ похоже тоже отличался. Заказал корпуса по проекту, собрал - все хорошо зазвучало, ничего не торчит, приметилась линейность и безокрасность звучания.

DSC_00329.JPG
 

Сейчас просматривают