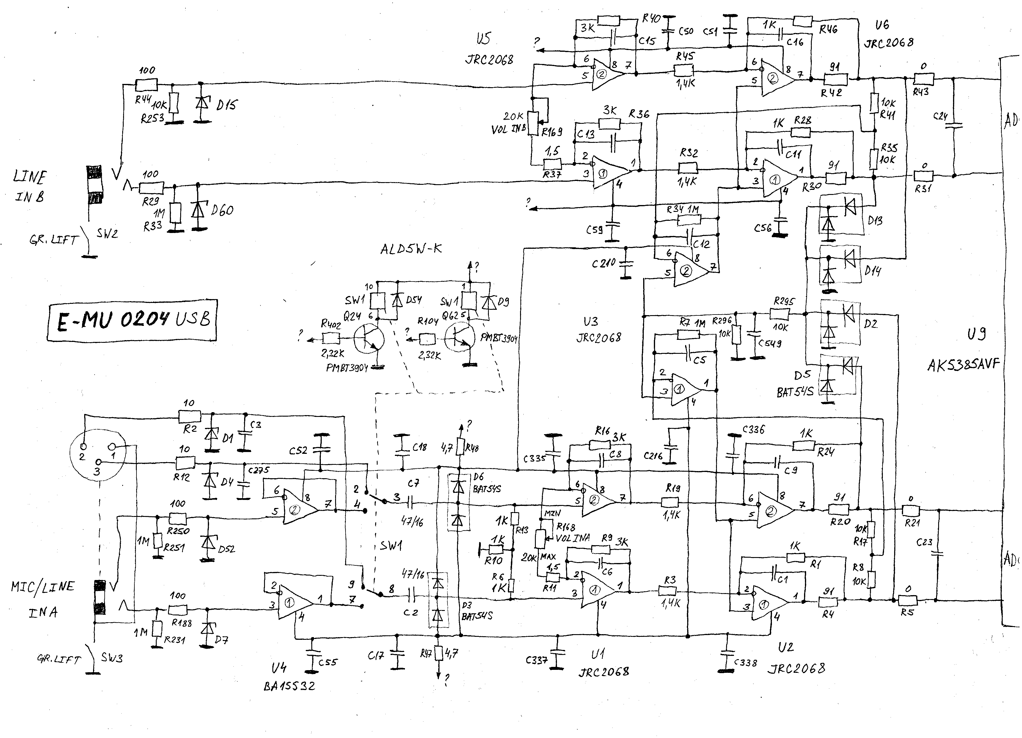
Возможно из-за этого часть шумов добавляется предварительным усилителем EMU0204
Ну, это несерьёзно...
ЕМНИП, в страусе, как и в подавляющем большинстве встроенных в ЗК преампов, используется INA163 - со всеми вытекающими последствиями.
Настоятельно рекомендую, прежде чем заниматься модингом миков, всё таки поставить в запись нормальный микпереамп - будете немало удивлены...
TL431 имеет повышенный уровень шума. Попробуйте заменить его чем-нибудь иным. "Для попробовать" можно поставить просто резистор, зашунтированный 100 мкФ.
А причём тут шум шум 431-го?
Надо просто сразу ставить нормальный конденсатор - и все ХЭ-замашки в отношении именно этого конденсатора применимы в максимальной степени.
ХИНТ: хотеть что-то от блокирующей ёмкости в 1 мкф - это наивно. Что б не сказать грубей...
Расчетный ток в мультисиме через него получался примерно 0,23 мА. В железе поменьше.
С линеаризаторами а-ля шиклаи надо быть поосторожней - платой за линеаризацию является шумовой вклад линеаризующих биполяров.
А там пляски с бубном - отдельные...
ХИНТ: следует помнить, что наилучший Кш жифеты показывают в режиме, близком к максимальному току (Iнач), при сопротивлении в истоке равном нулю.
Применение шиклая уменьшает рабочий ток в разы (если не на порядки) - соответственно, пропорционально увеличивается Кш жифета.
ХИНТ: линеаризация жифета, работающего в режиме истокового повторителя с сигналом в единицы милливольт - это вообще седло на корове!
