Простейшая схема dry/wet (1 онлайн

Ну а по второму пункту вы сильно не правы , хотя и нужно учитывать номиналы резисторов .;)
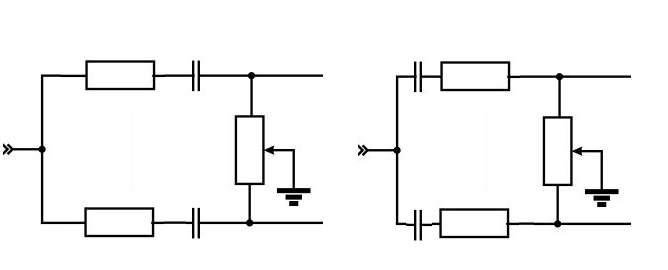
т.е. по вашему есть разница во включениях на картинке?

И она как-то зависит от номиналов??? 1603970248036.png
 
  • Like
Реакции: Long
По рисунку baran-ban-а
коб, разницы нет, это же последовательное включение без ответвлений. Впрочем, можете объяснить нам, в чём же разница. Если сумеете, разумеется.
 
Не, я понимаю... можно ошибиться, со всеми бывает. Мне интересно, человек признает ошибку или нет? ;) Или будет просто слив? :D
 
Когда то очень давно встраивал самодельный хорус/дилей в синт. "Ритм-2", если мне не изменяет мой склероз - делал это по такой схеме:
190471
Все отлично регулировалось, исходный звук вроде как тоже не пострадал.
Но в связи с вышеупомянутым
Сумму да, нужно обязательно в инверте, как нарисовано.
хочется понять - сумма на неинвертирующем входе ОУ это плохо, и чем?
Прощу прощения, если оффтоп.
 
Сумматор он только инвертирующий, неинвертирующий это просто буфер. А что изменится если фазу не возвращать к исходной? Считаю вторую пару инверторов лишней.
 
Всем спасибо за советы, скомпилировал, проанализировал, собрал. Всё работает так как хотел.
IMG_20210211_211646.jpg
 
  • Like
Реакции: коб
Всем привет! Я, может, немного не по теме, но уверен здесь есть знающие люди. Дело вот в чём: есть примочка (crunch) и надо к ней добавить параллельно true bypass. Да так, чтобы эти два канала на моно выходе смешивались (вход, кстати, тоже моно). Чтобы эти два канала можно было регулировать по громкости.
Сам-то я в электронике - третий раз держу в руках паяльник. Может кто подскажет, как схемка может выглядеть. Какие там сопротивления нужны (или не нужны).
 
-- Egorrelikt, это и есть dry/wet. Приложите схему примочки - покажем, что сделать.
 

Сейчас просматривают