переключение между двумя парами мониторов (1 онлайн

А-ааа, халява наше Фсё! :Dle4:
Просто ТС считает приобретателей мониторных контроллеров за богатеньких долбодятлов, не умеющих читать инструкции и не способных мыслить так же ярко и нестандартно, как он сам. При этом определенные возражения воспринимает в штыки и молится на инструкции могучих производителей.
 
  • Like
Реакции: Anton_Bush и Methafuzz
тэк... а если вдруг третью пару подключить захочется... тогда как я понимаю в XLR "разветвитель" еще один "разветвитель" втыкается? Или XLR растроитель ищется? )

@nikolas_n не майтесь дурью, вы не с той стороны коня запрягаете.

ПС
Кроме мониторного контроллера, есть, как вариант, куча карт которые несколько пар мониторов поддерживают.
 
  • Like
Реакции: Anton_Bush
не пойму чего народ накинулся насильно причинять добро человеку =)
Пусть человек получит свой опыт
Вдруг он рассчитывает 4 часа сводить на одной паре мониторов а потом 4 часа на другой. Чего бы и питанием не щелкнуть тогда? Допустим включить от торшера кнопку что ногой включается в разрыв кабеля или просто двухкнопочный выключаетль для света =)
А потом как (если) поймет что работа на двух мониторах это включить одни потом мгновенно переключиться на вторую пару на 20 секунд и обратно на первые и так по кругу (меняя громкость на ходу), то наслушавшись щелчков от включения выключения и прочей радости сам пойдет искать мониторный контроллер.
Свой опыт - бесценен. Зачем лишать человека радости да еще насильно...
 
ТС не задавался вопросом, "если переключение мониторов, посредством переключения питания, в 1000 раз дешевле, чем мониторный контроллер, почему никто этого не делает?"
nicolas всех производителей мониторных контроллеров по миру пустит... :D
 
Ничего я не понял. Какие проводки паять? Есть специальный разветвитель
Специальный для чего? Где вы его взяли, и с чего решили, что оно для этого?
Странно както.. Человек не может сообразить каким тумблером пару устройств переключить, но считает возможным спорить с профессионалами, которые вторую страницу пытаются спасти его оборудование от его самого))) Продолжайте!!!
 
  • Like
Реакции: Rustamlive
  • Like
Реакции: Motosummer
-- Насчёт одновременного подключения одного источника на несколько входов:
если сигнальчик крохотный - то особо не страшно.
если же сигнал НОРМАЛЬНОГО уровня, 1-2-3 вольта и больше, то входной каскад
устройства без питания будет создавать искажения в подключенном к нему сигнале
за счёт своей входной нелинейности. Но если кому-то нравятся искажения - его право.
 
Если есть желание, можно использовать импульсное реле. К контактом 10, 12, подключить питание мониторов, дешево и сердито, но согласен с мнением, что лучше этого делать не стоит.
205252
 
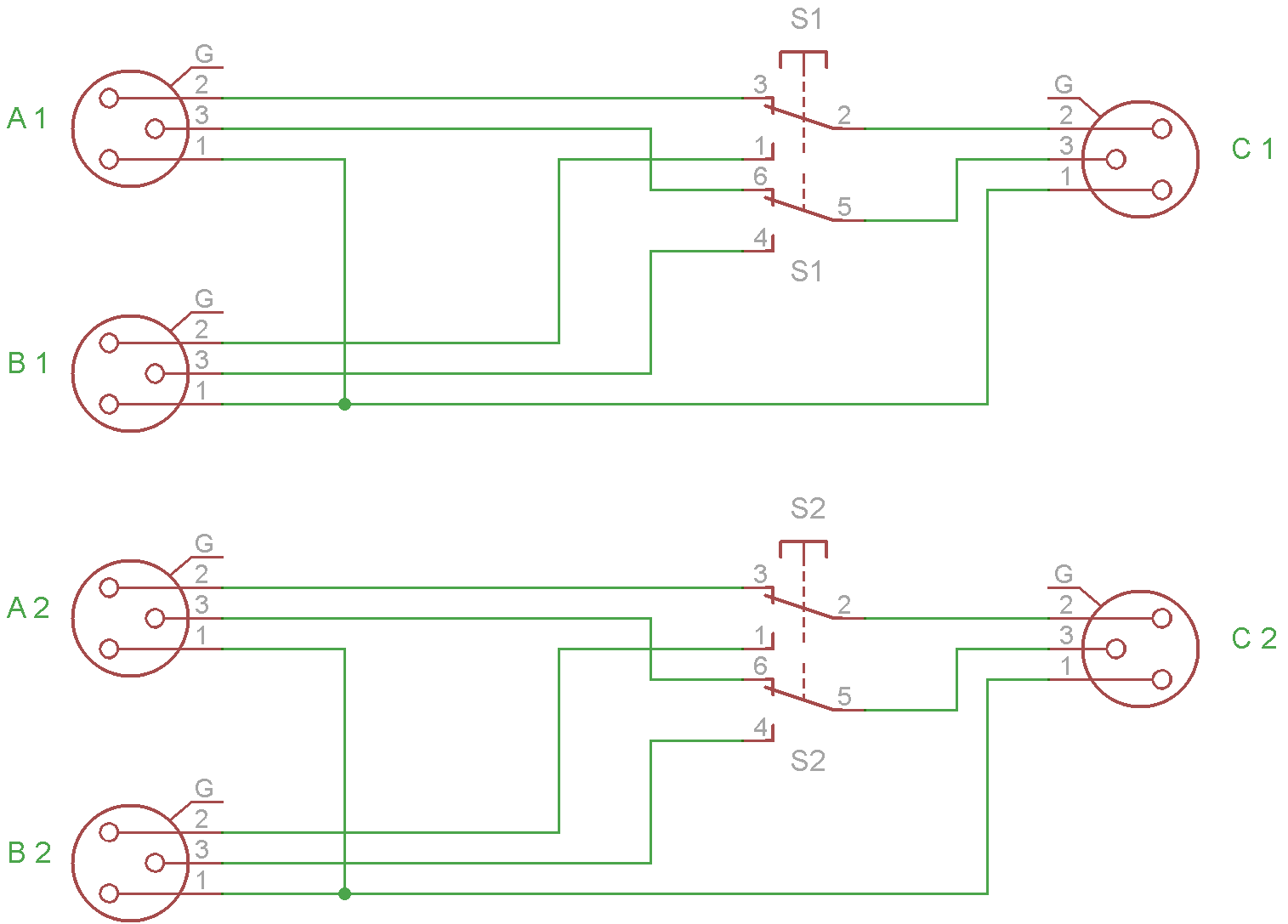
Вопрос по выключению звукового сигнала при поданном питании в мониторе как советовали выше. - в XLR кабеле в монитор идут три провода. + - земля . Что бы выключить сигнал с одного монитора ( и включить на другом) как лучше сделать, поставить выключатель на рассоединение всех трех контактов или же достаточно отключить красный и синий а черный пусть будет активен? balansniy-XLR-XLR.png
 
Понятно , что первый должен идти на первый , второй на второй а третий на третий . При этом , для установки переключателя , первый разрывать не надо . Первый это масса ...
 
Понятно , что первый должен идти на первый , второй на второй а третий на третий . При этом , для установки переключателя , первый разрывать не надо . Первый это масса ...
то есть , мне нужен переключатель на все три линии?
 
Вообще "гимора" в этой коммутации , хоть отбавляй . По сути вам нужно скомутировать четыре провода на восемь ,что очень не удобно и в случае с механикой , не очень надежно . В таких коммутаторах лучше использовать реле . Правда для этого потребуется коробка + блок питания....
 
Да, я тут подумал , а почему-бы с фазой не поиграть? В результате получилась вот такая штука .....Думаю --работоспособно. К тому-же такой переключатель , более чем доступен , например этот со старого советского пульта Электроника пм 03 . За качество рисунка дико извиняюсь , больше бумаги под рукой не нашлось:).
 

Вложения

  • IMG_0599.JPG
    IMG_0599.JPG
    2,3 MB · Просмотры: 179
Я показываю самый простой (=дешевый) вариант :)

карты же у всех многоканальные, так?
И мониторы активные?

Посылаем по стереовыходу на каждый монитор (их желательно оба включить ;) ) и... програмно мьютим один из них, включем другой.
Придется конечно немного повозиться с рутингом. Фсё! Даже тройник с кнопкой покупать не нужно
 
  • Like
Реакции: Antonio
Да, я тут подумал , а почему-бы с фазой не поиграть? В результате получилась вот такая штука .....Думаю --работоспособно. К тому-же такой переключатель , более чем доступен , например этот со старого советского пульта Электроника пм 03 . За качество рисунка дико извиняюсь , больше бумаги под рукой не нашлось:).
Спасибо ! скажите, а как вы относитесь к следующей идее. Берем потенциометр с шестью контактами , и ставим на сигнальные линии ? В результате -повернул ручку и плавно переключился монитор а, повернул-и монитор б- без всяких щелчков и прочего. по моему очень удобно.
 

Вложения

  • B10K-10K-6.jpg
    B10K-10K-6.jpg
    66,3 KB · Просмотры: 153
  • Like
Реакции: коб
Да, я тут подумал , а почему-бы с фазой не поиграть? В результате получилась вот такая штука .....Думаю --работоспособно. К тому-же такой переключатель , более чем доступен , например этот со старого советского пульта Электроника пм 03 . За качество рисунка дико извиняюсь , больше бумаги под рукой не нашлось:).
а что скажете если взять 12 пиновый потенциометр? какой по вашему лучше брать номинал не просвятите? сколько килоом? и какой тип потенциометра что бы поворот ручки один монитор бы звук усиливал а другой наоборот глушил?
 

Вложения

  • HTB1ehD5XOLxK1Rjy0Ffq6zYdVXaR.jpg
    HTB1ehD5XOLxK1Rjy0Ffq6zYdVXaR.jpg
    80,5 KB · Просмотры: 150
Я и хотел перейти к этому попозже . В этой схеме довольно легко ввести регуляторы уровня . либо один на два выхода сразу , либо два на каждый монитор отдельно . соответственно либо два спаренных либо один счетверённый потенциометр ....
 
Последнее редактирование:
Спасибо ! скажите, а как вы относитесь к следующей идее. Берем потенциометр с шестью контактами , и ставим на сигнальные линии ? В результате -повернул ручку и плавно переключился монитор а, повернул-и монитор б- без всяких щелчков и прочего. по моему очень удобно.
В принципе можно и плавно , но у звукорежиссёров главная фишка в том , чтобы выстроить одинаковый уровень звукового давления и быстро коммутировать разные мониторные системы , пока уши не остыли :). так лучше всего слышится разница в подаче....
 
  • Like
Реакции: solo541
производитель совместно с магазином дает гарантию. теоретически
-ага дает, год как правило
Спасибо ! скажите, а как вы относитесь к следующей идее. Берем потенциометр с шестью контактами , и ставим на сигнальные линии ? В результате -повернул ручку и плавно переключился монитор а, повернул-и монитор б- без всяких щелчков и прочего. по моему очень удобно.
-плохо относимся т.к сигнал симметричный и двух гангов не хватит, к тому же будет хавать верх из-за емкости проводов ( зависит от длины)
-я не понимаю что вы мучаете кота за хвост , я в начале написал на али есть готовые пассивные коммутаторы 1в3 или 3в1 сделаны на xlr
и галетнике, в какой то теме здесь все это обсуждалось да можно и так поискать, можно просто какой нибудь кит купить на реле они как правило называются коммутаторы входов
то входной каскад устройства без питания будет создавать искажения в подключенном к нему сигнале за счёт своей входной
нелинейности.
-да кстати там везде на входах стоят защитные диоды и при выключении все это будет представлять собой некий двухсторонний
ограничитель, который вам будет вам будет портить сигнал
 
так что вы предлагаете ? дайте ссылки на комплектующие
 
Дык легко . Ну начнём с того , что опубликуем то что было не опубликовано , а осталось в личке . А это как включены регуляторы уровня . Хочу заметить , не потенциометром , а в мост .При такой компоновке ,входное сопротивление мониторов уменьшается , а с ним и ёмкость кабеля становится менее критичной .Во вторых такая схема включения не разбалансирует входа .Ну а что касается диодов на входах , то они мешать не будут ,так-как стоят для ограничения перегруза по входу , и срабатывают ,собственно, при этом самом перегрузе.
 

Вложения

  • IMG_0600.JPG
    IMG_0600.JPG
    1,8 MB · Просмотры: 167

Сейчас просматривают