Усилитель для ушей на ОУ AD8397

  • Автор темы Автор темы Ga_rY
  • Дата начала Дата начала
@Ga_rY, схема примитивна, вот плату правильно слепить - гораздо сложнее. если такая схема(могу накидать в принципе, два опа в инверте, входной-выходной фильтр) составляет такие сложности - может ну его?
 
Насчет платы все верно и насчет запаса по мощности в блоке питания тоже. А еще ОУ плохо себя ведут при больших выходных токах, потому и нужны транзисторы. А еще верно и то что не нужно разрабатывать "по приборам" и слух наш иногда слышит то что приборы не показывают (на самом деле не на то смотрели просто, увидеть можно все), а в других случаях "огромные искажения" не слышит... У меня в контроллерах стоят усилители для наушников на ОУ и транзисторах. Не утверждаю что они совсем "без греха", но пока все хвалят кто слушал. А транзисторы в нем в классе В... просто напомню о старой идее с "прямой связью"... на малых мощностях можно обойти ограничения связанные со ступенькой.
 
если такая схема(могу накидать в принципе, два опа в инверте, входной-выходной фильтр) составляет такие сложности - может ну его?
Да нет, сложностей никаких нет, вот с ОУ привык придерживаться ДШ, ведь кто его знает что они там внутри спрятали. И надо будет его еще раз основательно почитать, а то я пробежался поверхностно.
 
Сколько я не мучил ОУ, ни один вариант мне не понравился - звук блеклый, громкости не хватает
-lm6172 в параллель, для особой крутости 2 штуки , любой простой транзисторный даже рядом не валяется , или opa1662 -2 корпуса , также неплохи lme49860
-также очень хорош композит на lme49860 + tpa6120a2 но надо аккуратно разводить плату
-но самый лучший из того что собирал(не транзисторный), композит ada4627+lme49600
-ad8397 проигрывает всем вариантам выше( питание+-12в) , но на низкоомные уши тоже хорош
-если у вас там стоит одна 4580 на оба канала , ставьте тупо lm6172 или lt1363, желательно от ножек питания оу на землю припаять 100-220мкф
для лучшего низа, единственно проверьте постоянку на выходе , если больше 10-20мв , нужно ее уменьшить внешним смещением
-да и усиление уменьшите до 5 , вместо 10 , нафиг 10 не нужно, можно еще уменьшить номиналы, но нужна схема(ваша)
[DOUBLEPOST=1432662469,1432662217][/DOUBLEPOST]
А еще ОУ плохо себя ведут при больших выходных токах
-так надо ставить оу которые себя нормально ведут , таких много, а не зацикливаться на 5534 и 5532 которые ведут себя плохо, хотя Дуглас Селф ставит
64 шт 5532 в параллель и получает 15вт 4ом усилитель высокого качества
 
Последнее редактирование:
  • Like
Реакции: Ga_rY и VR.j
А по мне 8397 из всех только-ОУ усилителей для ушей был лучшим (спарал. , в инверте)
только потом 6172.

Ещё есть старый AD842. Звучит очень сильно, зараза, но корпус нестандартный
 
нафиг 10 не нужно, можно еще уменьшить номиналы, но нужна схема(ваша)
Юрий, мне нужно 10, иногда необходимо как под микроскопом выслушивать тихие треки. Я вот думаю не добавить ли...
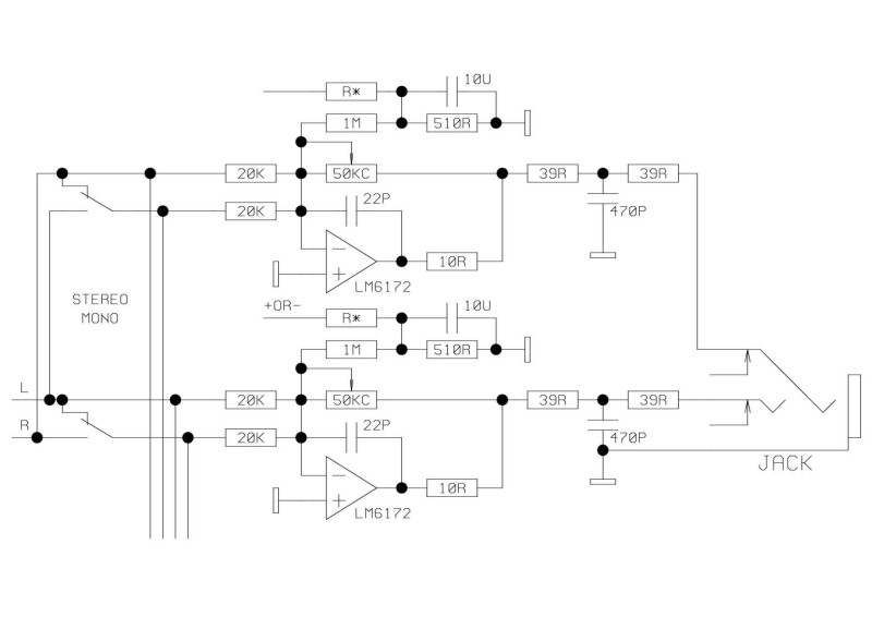
У меня схема такая (вместе с аттенюатором и пр.)
[DOUBLEPOST=1432673129,1432669094][/DOUBLEPOST]lme49860 и lm6172 тут есть в продаже, lt1363 нет но при желании можно найти. lm6172 вообще недорого (чуть дороже 1 долл), видно много закупили и они в 4 раза дешевле чем ad8397 .
 

Вложения

  • Аттенюатор и телефонный усилитель.GIF
    Аттенюатор и телефонный усилитель.GIF
    28,9 KB · Просмотры: 427
Последнее редактирование:
-lt1363 примерно тоже что и lm6172 , так что не заморачивайтесь, вообще у нас тут один человек с локаторными
ушами переслушал почти все возможное в dip8 примерно по вашей схеме ( т.е один корпус на оба уха),
лучшее было lme49860, потом lm6172( по звуку)
- аd8397 у нас не проходят по питанию, а так тоже хорош, но у вас уши высокоомные , т.е вам важно максимум питания ,
а тут +-12в мах, и греется как зараза , без радиатора который сложно к нему прилепить я не рискнул бы его ставить
-не очень понятно зачем вы гасите +14db делителем , а потом опять усиливаете. гасите если нужно прям
на входе линейного повторителя , вот и к.у сразу 10 не нужен, тем более резисторов где можно, погасить
там хватает, да и номинальчики можно уменьшить ( кроме крутилок) в 2-3 раза , шума меньше и смещение
оу по выходу тоже поменьше будет
-на выходе усилителя ушей , обязательно должен быть резистор 75-100 ом, а лучше 43+43ом , и емкость
300-500пф из середины на землю
 
Последнее редактирование:
  • Like
Реакции: Ga_rY
-наверно имелось ввиду что не дип8 , а так вполне себе нормальный дип14 стоит только крутовато, за эти
деньги пару lme49600 можно взять , которые переиграют всю эту кучу на раз, только тоже не дип8
 
-не очень понятно зачем вы гасите +14db делителем , а потом опять усиливаете
Согласен, можно добавить, но совсем убрать - кнопка MONO будет коротить каналы. Что-то считал... уже не помню 8 лет назад было.
И с напряжением питания в первом посту наврал, оказывается у меня питание +/-15.
 
Последнее редактирование:
-не знаю что там стоит перед этим блоком , но по моему r1, r2 можно спокойно уменьшить до 2к , а то и до 1к
r3,r4 вообще убрать , делитель линии сделать вместе с -20db , на ушах тогда будет к.у где-то 2-3
r11-r12 то же где-то 2к , +входы линейных оу лучше притянуть к земле 10к (на всякий пожарный),
и вообще лучше , если можно тот же инвертор сделать
-набейте эту схемку , в какой нибудь мультисим или воркбенч , все номиналы подбираются за пару минут и
думать не надо
 
  • Like
Реакции: Ga_rY
не знаю что там стоит перед этим блоком , но по моему r1, r2 можно спокойно уменьшить до 2к , а то и до 1к

Я ставлю 820 Ом. Большинство ОУ допускают нагрузку 200 Ом, значит два выхода как мне кажется можно сединить через резистор примерно в 4 больше.
 
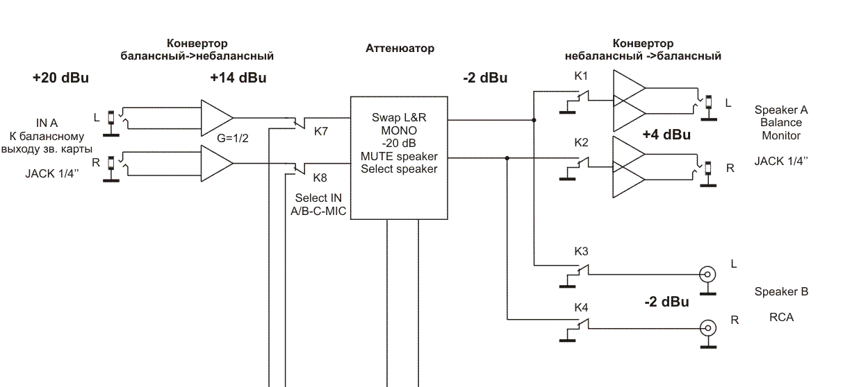
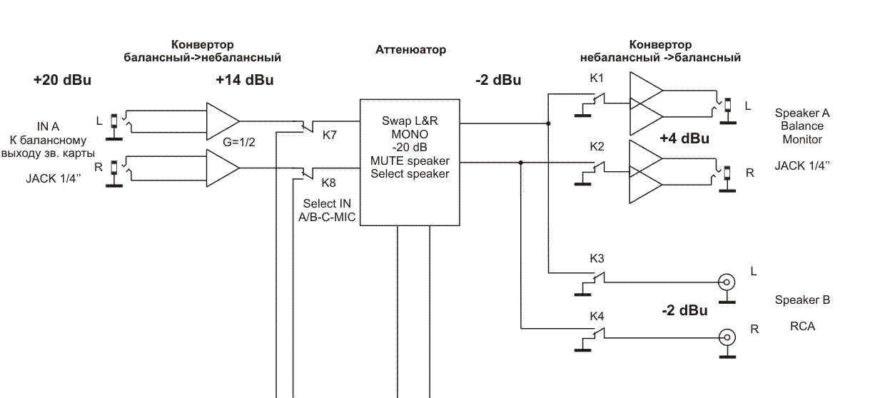
Перед ним стоит конвертер баланс/небаланс тоже на 4580, фрагмент функциональной схемы прикрепил.

и вообще лучше , если можно тот же инвертор сделать
Почему лучше?
 

Вложения

  • fragment_func_sch.png
    fragment_func_sch.png
    46,8 KB · Просмотры: 348
-так это у вас какая то мониторка , понятно
-инвертор работает лучше, как усилитель, нет влияния синфазного сигнала , но в вашем случае , похоже
не выйдет , т.к на выходах должны совпадать фазы ( и с входом тоже) , тут надо смотреть полную схему
и к тому же если у вас все сделано на плате , перевернуть фазы сложно ( надо резать) и перепаивать
соплями
-во входном каскаде 4580, меняйте на lme49860-уйдет мыло , тогда резисторы r1,r2 можно спокойно уменьшить до 1к
 
  • Like
Реакции: Ga_rY
Да, это мониторный контроллер (плюс с ним в одном корпусе еще два микрофонных преампа с фантомом, 100 Гц фильтрами, компрессорами, лимитерами).
Все на одной громадной плате размерами чуть меньше формата А4.
[DOUBLEPOST=1432718850,1432717894][/DOUBLEPOST]
...похоже не выйдет , т.к на выходах должны совпадать фазы ( и с входом тоже)
Да, не выйдет, я уже смотрел.
А с делителями надо будет заняться, загоню в симулятор и подправлю.
 
Последнее редактирование:
-да, можете если устраивает , ничего и не менять , только поменяйте оу ( советую сразу lme49860 везде) кстати судя по отсутствию ,
каких либо емкостей в обратных связях и странного включения электролита между питаниями ( зачем он там непонятно) , это случайно не
китайчатина , или творчество ключников , емкости 10-30пф( надо подбирать под конкретные оу) должны стоять, иначе форма импульсов
неправильная, да и высокочастотные оу типа lm6172 , lme49860 прсто засвистят, и притяните +вход оу линии резистором хотя бы 100к
( влиять практически не будет) , а то при случайном пропадании контакта у поводка , получите +- питание импульсы на выходе
[DOUBLEPOST=1432730671,1432729967][/DOUBLEPOST]
Я ставлю 820 Ом. Большинство ОУ допускают нагрузку 200 Ом
-надо проверять , у многих к.г становится неудобоваримый , некоторые генерить начинают, еще часто +- сигнал неодинаков
(защита начинает срабатывать) лучше без риска ,перед бодягой ставится оу гарантированно ( по pdf)работающий на 600 ом
а после r1-r2 600ом-1к
 
Так ведь чаще всего что "перед" никто не знает... Потом МОНО это нештатный, кратковременный режим. Все равно в МОНО звучит плохо и проверяется не качество, а выпадание инструментов из-за противофазы.
 
емкости 10-30пф( надо подбирать под конкретные оу) должны стоять, иначе форма импульсов
неправильная
Спасибо за рекомендации, а как форму импульсов проверить, меандром 1 кГц, 10 кГц, 20 кГц прогнать и по осциллографу выровнять?
Вход ОУ притяну на корпус, упустил этот момент, каюсь.

Насчет ключников, или китайцев не угадали - это все мое, практически с нуля.
Чем плох электролит прямо на выводах питания ОУ, на низких частотах он снижает внутреннее сопротивление источника питания, ведь плата большая по габаритам и некоторые дорожки с питанием получились до 10 см длиной, такое включение, допустим одного конденсатора 10 мкФ, равносильно двум по 20 на общий провод, нет?
 
-ну схемотехника это дело наживное , правильность приходит с опытом, опыт связан с временем, я тоже лет 30 назад " корявого"
допускал , сейчас смотрю на старые приборы , иногда за голову хватаюсь " зачем же так делал"
-я ровняю на 10к , смысл простой , к резисторам в обратных связях подсоединяете подстроечные емкости типа tz03 murata 3-30пф, причем
в вашем случае это входной каскад ( симметрию можно закоротить) и выход , на уши тоже , с неинвертирующем повторителем
уже ничего не сделаете , и подкруткой емкостей добиваетесь подобия выходного импульса входному, все должно быть нагружено
на реальные нагрузки( кабели, уши)
-вообще я давно пришел к выводу что подобные штуки должны делаться по принципу двух инверторов, т.е входной инвертирующий
симметрия-несиметрия и выходной инвертор несиметрия-симетрия , между ними расположена вся пассивно- активная ( тоже на инверторах)
байда
-туда надо не электролит ставить , а пленку 1-10мкф , или керамику 0.1 NPO разбросать штук 10 , тогда токи АВ будут замыкаться не через нагрузку
а электролиты прямо к ножкам оу на землю , для лучшего низа , причем оу к питанию лучше через резисторы 1-5ом , стабы lm317,lm337,
выпрямительные диоды шоттки, транс нафиг из корпуса, плата двухслойная с большой землей(причем у входов и выходов своя обьединяется на питании),
компоненты смд, крутилки alps, геморрой конечно но если все верно сделать то звук того же устройства становится другим
 
  • Like
Реакции: mexap и Ga_rY
иногда за голову хватаюсь
Раньше было да, регулярно, сейчас уже почти нет (если не отвлекли), но не без того ))

Я понял.
10 кГц прямоугольника, крутить емкость и смотреть картинку при всем подключенном.
А сколько взять сопротивление резистора ООС для lm6172?
100к много?
 
-с lm6172 есть проблема , у нее входные токи ломовые , поэтому на больших резисторах , получается приличное смещение, у меня
Rос 50к ,входные 10к, к.у 5 , набегает 20мв , приходится ровнять, в вашем случае проще уменьшить все резисторы и к.у может и так пройдет
-да забыл очень хороши в проходе , даже лучше чем lme49860, lt1469, но стоят круто , еще лучше lme49990,ada4627 но одиночные
ph001.jpg
 
Последнее редактирование:
lt1469, но стоят круто
Не так и дорого, по 222 рубля в партии 10 шт если взять на http://ru.aliexpress.com/item/Free-...LT1469IS8-LINEAR-SO-8-100-NEW/1913547409.html

Схему посмотрел
у нее входные токи... приходится ровнять
А почему не уровнять их подобрав резистор между положительным входом и землей?
Он будет равен параллельному соединению входного и R оос.
 
Последнее редактирование:
-ни в коем случае , получите 5532 с надписью lt1469 , в лучшем случае( посмотрите цену на сайте lt за 1000 шт.)
-подбором резистора вы уравняете входные токи , согласен , но у них само смещение порядка 3-5мв , умножим на 5-10 получим 30-50мв
мы их лостаточно много в уши понаставили , попадаются отдельные экземпляры с < 1мв но редко
-выход поставить разделительную емкость , но вам это не понравится , да хорошая скорее всего не влезет
-кстати у lt1363 входной ток в 5 раз меньше , и смещение тоже меньше , стоят только дороже
 
Последнее редактирование:
  • Like
Реакции: Ga_rY
умножим на 5-10 получим 30-50мв
Я помню как-то делал усилитель шунта для стрелочного амперметра на 5534, то смещение подплывало в зависимости от температуры и это было хорошо заметно так-как стрелка все время на виду, делал похожую цепь коррекции, правда у 5534 есть для этого отдельные выводы.
Не помогло, поборол поставив еще терморезистор зашунтированный обычным (тоже подбирал) резистором, а для увеличения наглядности при настройке, грел все это дело феном до 60-ти градусов.
 
-ну это разные вещи , у вас там к.у небось под 1000 был , а здесь главное получить +-1мв , ну будет оно плавать
от питания еще на+-2мв , да и бог с ним , потом можно всегда поставить какую нибудь tl431, непонятно зачем
нужную, и вообще как говорится будет мертвяк
 
Мне понравились LT1469.
Вообще 50 мкВ оффсет по напряжению.
Ничего не надо строить, только входные токи уровнять резистором.
Да не возят их, под заказ на РКС и то, от ...надцати штук.
 
Последнее редактирование:
Мне понравились LT1469.
это оч. хороший ОУ, но не для ушей (если без умощщенья).
У него выходной каскад слабоват, искажения растут, звук будет оч. жестким.
Это единственный недостаток 1469. Ну и цена естественно :-)
 
-да для ушей, он не годится , я имел ввиду проходные в мониторку , в некоторых случаях даже лучше lme49860 ( зависит от акустики)
 
-подбором резистора вы уравняете входные токи , согласен , но у них само смещение порядка 3-5мв , умножим на 5-10 получим 30-50мв
мы их лостаточно много в уши понаставили , попадаются отдельные экземпляры с < 1мв но редко
-выход поставить разделительную емкость , но вам это не понравится , да хорошая скорее всего не влезет
Почему не выставить 0 на выходе подстроечником, даже, если и отсутствуют специальные выводы? Темпер. коэф. напряж смещения LM6172 всего 6 мкВ/*С. Учитывая, что рабочая t* кристалла более-менее постоянна, точнее, она слабо зависит от t* окруж. среды, т.к. намного выше её, короче, получим несколько сотен мкВ на выходе. Как учит нас Партия (Хоровитц, Хилл), "В конечном итоге значение имеет временной и температурный дрейфы, т.к. сдвиг напряжения может быть настроен на 0".
 
Последнее редактирование:

Сейчас просматривают