Усилитель для ушей на ОУ AD8397

  • Автор темы Автор темы Ga_rY
  • Дата начала Дата начала
Тогда было бы правильно установить защиту, которая бы через реле отключала наушники, при появлении на выходе постоянного напряжения.
 
так что я ставлю на выходе большие разделительные электролиты...
-делаем лет 15 в разных вариантах на разных оу , не помню у наушников вылета , по линейным выходам оу частенько пробивают
втыкая в разные интересные штуки
-возьмем уши например 240ом+54ом = 294ом , при 15в р=0.76вт , на защитных резисторах в питании еще что то подсадит так что вроде
не очень страшно
-да электролиты это не есть гуд , защита на реле посложнее, но зато сразу делается задержка включения, тем более есть какая-то
upc для усилителей , там все реализовано и стоит вроде не дорого
-0.1NP0 1206 есть в элитане , пленку лучше не ставить в высокочастотные оу , нет 0.1 любую NP0 керамику от 10нф
[DOUBLEPOST=1434373092,1434372452][/DOUBLEPOST]- по разводке: цепи земли входа , и питания лучше разьеденить ,по возможности и обьединять на выходе стабов , землю
нагрузки на землю питания
-путь земли между фильтрующими конденсаторами с4,с5,с7,с8 должен быть по возможности минимальным, у вас же двухслойка
там под оу проще протянуть землю общую для обоих питаний , npo 1206 на второй слой вплотную к электролитам и все это
ближе к 4 и 8 ногам
 
  • Like
Реакции: Ga_rY
пленку лучше не ставить в высокочастотные оу , нет 0.1 любую NP0 керамику от 10нф
X5R, X7R не подойдут вместо NP0?

там под оу проще протянуть землю общую для обоих питаний
доработаю, спасибо.
[DOUBLEPOST=1434375243,1434375130][/DOUBLEPOST]UPC1237 готовая защита.
 
землю
нагрузки на землю питания


А есть и другое мнение:

Sia_2 написал(а):
Правильная разводка (взятие сигнальной земли с земли выхода УМ и удаление контуров силового тока) обеспечивает практическое отсутствие влияния БП на сигнал, кроме, естественно, энергоемкости. Это азы конструирования.



пленку лучше не ставить в высокочастотные оу

+1000
 
Последнее редактирование:
Я немного запутался с этими всеми зЕмлями...
@digilab2, тут получается что от входной (сигнальной) земли остается только резисторы R10, R17.
Я их "оторву" и выведу на провод, который пойдет к потенциометру, вся остальная земля, включая провод к наушникам будут объединены и нижний земляной слой платы также, резать и тянуть на нем ничего не нужно будет.
Или их надо через 10-20 Ом посадить еще на "выходную"землю?
 
-не принимайте близко к сердцу , большой ground plane тоже хорошо( иногда даже лучше), только не режьте готовую плату , смысла никакого нет
в вашем случае , у вас там не амперные токи , и не микрофонные преды
-ну да r10,r17 и еще r4, если плата запаивается наглухо ( не на разьемах) 10ом соединяющие
земли не нужны
 
Последнее редактирование:
  • Like
Реакции: Ga_rY
В общем сделал усилитель, переделал конвертор баланс/небаланс на LME49860, пересчитал аттенюатор, добавил резисторы на неинвертирующие входы, отстроил НОЛЬ на выходе - все работает ничего не возбуждается, коэффициент усиления в конце концов стал равен 3-м.
Всем огромное спасибо, @digilab2 отдельное спасибо за помощь и потраченное на ответы время, сам бы я доолго делал.
Фото в аттаче.
 

Вложения

  • IMG_0962_2.jpg
    IMG_0962_2.jpg
    436,6 KB · Просмотры: 276
  • Like
Реакции: Kokarev Maxim
-да не за что , как уши то звучат , а то мы тут поставили на пробу opa1662 , ВВ зараза обыграл и 6172 и 49860, и lt1363, уши 240ом
-ad8397 тоже очень хорош( купил на пробу) но при +-12в греется как печка (с медной пластиной 2мм приклеенной сверху где-то 70гр) , страшно даже
,звук примерно как 6172 чуть больше низа, короче это оптимальный усь для ушей с питанием +-5в
 
Последнее редактирование:
  • Like
Реакции: Ga_rY
Все прекрасно, хотя еще рано говорить.
Час прошел как только все окончательно закончил собирать, еще почти ничего не слушал, переживал за возбуды, но напрасно.
 
-lm6172 несмотря на скорострельность , мало склонен к возбудам , lme49860 и вся эта серия более свистящие, мы например пытались
их поставить в наши сумматоры , я про..... ся 3 дня так и не смог убрать возбуд , пришлось вернуться к старым добрым 2134 и 275, правда
там разводка делалась еще в тьмутараканские времена , придется переделывать
 
Такие параметры великолепные и цена всего пару евро, тексас молодцы
Sprint Layout 6
[DOUBLEPOST=1435949932,1435949724][/DOUBLEPOST]@Ashap, я думаю попозже еще второй вариант сделать на этом же ОУ, с более продвинутой трассировкой земли.
Типа такого
 

Вложения

  • plata2_screenshot.png
    plata2_screenshot.png
    174,2 KB · Просмотры: 248
Последнее редактирование:
  • Like
Реакции: Ashap
Такие параметры великолепные и цена всего пару евро, тексас молодцы
-на низкоомные уши надо параллелить , ток при одинаковом ограничении 30-35ма,у 6172 50ма, погоняли 1662 тут сутки на
80 ом без радиатора где-то 50гр не более
[DOUBLEPOST=1435963353,1435962726][/DOUBLEPOST]
Интересно в чём трассировали - Eagle, Sprint Layout или ещё что?
-я до сих пор в pcad4.5 привык , пытался перейти на 2004 не понравилось , щупаю utilboard 12 но судя по всему лучше
orcad ( одно время в 7 работал), а так не для профи sprint layout лучше всего , только не во всех конторах с него делают платы адекватно
 
  • Like
Реакции: Ashap
...а так не для профи sprint layout лучше всего , только не во всех конторах с него делают платы адекватно
С промышленными обьёмами "печаток" я не сталкивался (и не собираюсь), а вот "для дома-для семьи" что нибудь самому "поваять" - лучше и проще Sprint Layout наверное и не найти. :)
 
Эта программа весьма удачна для маленьких проектов, одни плюсы (немцы вложили душу и регулярно абгрейдят).
Единственный минус - это несквозная среда проектирования.
Т.е. если необходимо что-то изменить в проекте, то нужно отдельно менять плату и отдельно чертеж схемы, следя за тем чтобы не попутать маркировку.
Если проект большой или меняется когда ты уже все забыл за давностью лет - можно легко накосячить в спецификации, попутав маркировку компонентов даже в простом проекте, типа такого.

А насчет производства со Sprint Layout единственная проблема - растровые полигоны которые необходимо конвертировать в векторные, либо отказаться от растровых полигонов как таковых.
Это делается в несколько кликов в программе CAM350.
У заводского пцб-шника после этого никаких вопросов больше не возникает.
 
  • Like
Реакции: Ashap
Единственный минус - это несквозная среда проектирования.
-это как раз фигня , для небольших проектов, а они вообщем почти все небольшие , сквозная не нужна( я в пикаде забыл уже когда
пользовался) , а вот то что нет отдельно слоев маски - напрягает
-говорят еще в метрической системе дырки неправильно выдает на экселон
 
нет отдельно слоев маски
Да, нет это возможно в старых версиях, в 6 версии программа в гербер позволяет вывести 11 слоев,
SL6_gerber.png

и проектировать до 4-х слоев по меди.
sl6_4Layers.png

С отверстиями тоже никто не ругался из 5 заводов с которыми имел дело, включая китайский.
 
- у меня стоит 6.0 тоже но там такого нет( может ущербная) , я правда не разбирался , залезу посмотрю, повнимательней , спасибо
-посмотрел , это несколько не то , нельзя в отдельном слое нарисовать маску , т.е ее надо рисовать отдельной картинкой , скидывать в кам350
и там переобозначать ( у меня маска не всегда совпадает с площадками, да еще много разных вариантов есть)
 
Последнее редактирование:
Там есть фейковая шестая версия.
Кто-то пошутил, добавив огромную библиотеку макросов в 5-ку и видимо решив прославиться, назвав эту свою сборку шестой версией.
Шестая версия имеет расширение файла проекта *.lay6
В ней курсор имеет такой вид (в верхнем левом углу я пытаюсь ставить круглую контактную площадку) 8-ми лучей.
sl6_cursor.png

Есть два русифицированных перевода интерфейса и хелп-файла от двух разных людей, которые не только русифицировали интерфейс, но и добавили возможность работать например с кириллицей в качестве объекта. Например шелкография или вырезание в слое меди надписи - чего в оригинальной программе не предусмотрено. В настоящей 6-й версии также в 10 раз увеличено разрешение по сравнению с 5-й, есть режим магнита, когда тянешь площадку например, и за ней тянутся дорожки и т.д. и т.п.
[DOUBLEPOST=1436475029,1436462430][/DOUBLEPOST]
у меня маска не всегда совпадает с площадками
Здесь маску можно назначить на дорожку, полигон, площадку или запретить и все, она генерируется автоматически.
Нарисовать отдельно ее можно в любом слое, который не занят, допустим на тех двух внутренних слоях меди, которые применяются при многослойной плате и по умолчанию скрыты, потом гербер переименовать, хотя это можно сделать и в CAM350.
Но я так не делал, у меня такой необходимости не было, хватало стандартной маски которую генерирует программа.
 
-спасибо, у меня судя по всему есть и фэйковая и нормальная, про внутренние слои вместо маски я тоже допер,
жалко , что нет конкретных, просто привык уже в pcad, вообщем буду разбираться, просто надоел pcad 4.5 уже, там полигоны
режутся через ж...у, приходится перекачивать в 2004 там резать и качать обратно
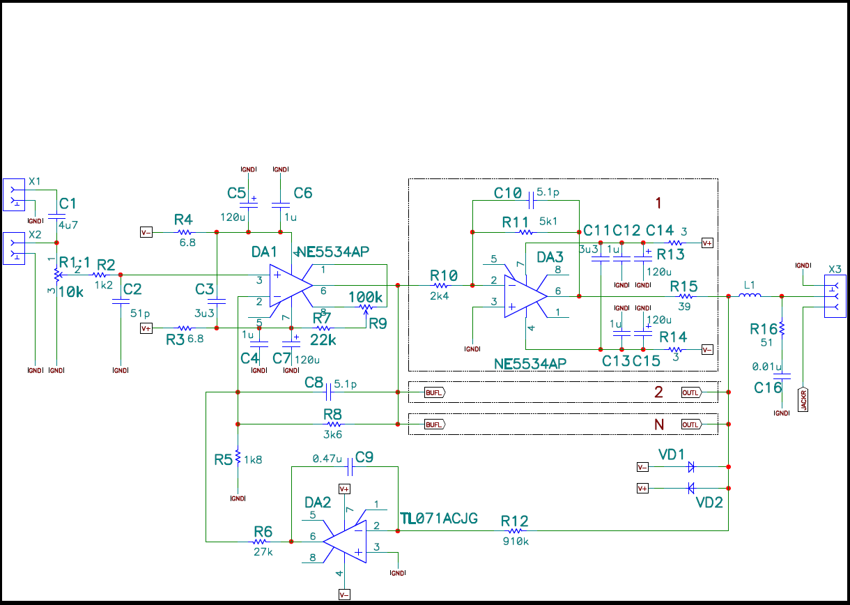
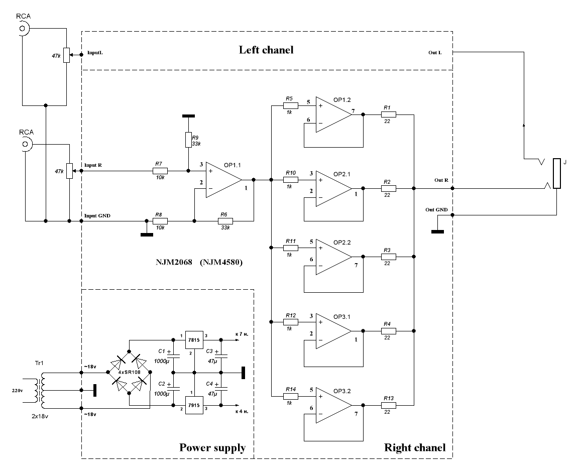
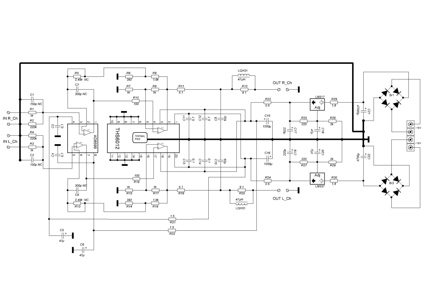
[DOUBLEPOST=1440681503,1436537719][/DOUBLEPOST]-специально для Igorrr , несколько распространенных очень неплохих схем
5534.png THE VOICE.jpg Ушной усь на параллельных ОУ схема.GIF

-вторая схема вместо ths можно пользовать tpa6120a2, в остальных хороши opa1662, lm6172 и т.п
 
  • Like
Реакции: igorrr
-тут опять провел серию экспериментов по поводу усилителя для наушников ( вставляю в цап) , однозначно победил
тандем ada4898-2 lme49600(2шт), чуть хуже ada4898-2 tpa6120a2( но дешевле) , очень хороши по звуку ad8397 но +-12в и
греются здорово ( ставил 2 в параллель) , неожиданно хороши оказались opa1688 ( тоже 2 в параллель) очень хорошая детальность и правильность звука, чуть хуже opa1662
а так все из выше приведенного убивает все что слышал раньше
 
да, 4898 хорош, зараза. и по деньгам не очень дорого.
Мой фаворит остаётся LT1469-2, но 4898 где-то очень близко, а по цене /2

А то, что с 49600 немного лучше, чем с 6120 - тоже логично. у первого просто больше кристаллы выходников и выше (гораздо) ток покоя, параметры на нагрузке меньше плывут - раз, и грязи от АБ меньше - два.
Думаю по этому.
Хотя уверен, что THD с 6120 даже немного меньше!
 
А зачем эти гирлянды операционников, не проще добавить к одному пару транзисторов? Я уже много лет использую такой усилитель в различных устройствах. Тянет любые наушники.
 
А зачем эти гирлянды операционников, не проще добавить к одному пару транзисторов? Я уже много лет использую такой усилитель в различных устройствах. Тянет любые наушники.
-нет спасибо , все эти 2-4 транзисторные схемы с оу обладают нулевым звуком , да к тому же весьма ненадежны если делать
по простому( для нормального варианта нужно 8 тр-ров, конкретный пример беринжер у кого из знакомых были все повылетали), к тому
же три последних варианта r-r по выходу что есть очень хорошо
-вообще то я еще собирал известный ушнюк уникум ( целиком на транзисторах) , звучит не особо лучше чем все варианты , и чуть
хуже чем первые два , но мороки с подбором транзисторов и наладкой полно
Мой фаворит остаётся LT1469-2, но 4898 где-то очень близко, а по цене /2
-конкретно в цап 4898-2 лучше чем 1469 мы даже его вообще убрали из списка , но всех убивает по звуку ada4897-2 и ad8397
причем последний несмотря на худшие параметры всем нравится больше
 
А я разработал свой усилитель с двумя транзисторами по очень старой и забытой идее "усилителя с прямой связью". В нем операционник работает прямо на нагрузку, а транзисторы "присоединяются" к работе при более высоких уровнях сигнала, до этого оставаясь закрытыми. Т.е. по сути это усилитель класса В с дополнительной прямой цепью. Ничего не греется, ничего никогда не горит... они во всех моих мониторных контроллерах... Я не ручаюсь за их параметры, но все пользователи их хвалят :)
 
-вы имеете ввиду а-ля quad405? да такой вариант имеет место быть, но появляется лишний элемент индуктивность строго
определенного номинала(3-5uh) , плюс мост все таки имеет разбаланс на разных нагрузках , хотя схема вообщем рабочая
-с моей точки зрения корпус сдвоенного оу на канал в параллель( opa1688, opa1662 , ad8397 или lm6172) проще и работает качественней
тем более 3 первых имеют r-r по выходу, что немаловажно для высокоомов, например при замене 6172 на 1688 с ушами
250ом , субьективно звук становится лучше только за счет r-r
-а для пультов и т.п вообщем и одного корпуса достаточно особенно ad8397 ( 300ма)
 
Последнее редактирование:
вы имеете ввиду а-ля quad405?
Нет, нет, просто резистор с ОУ прямо на выход, в обход транзисторов. Без индуктивностей, без моста. Чтоб избежать ступеньки пока напряжения недостаточно.
 

Сейчас просматривают