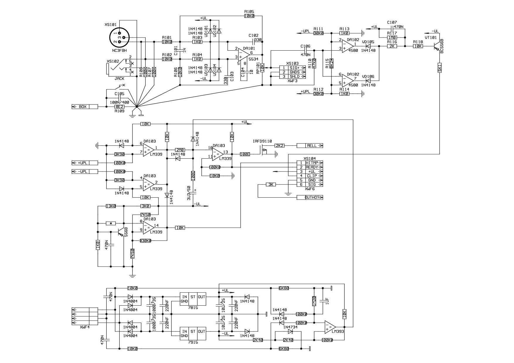
-там два стабилитрона 33в надо последовательно с резисторами надо подсоединить , тогда защита перестанет на сигнал
срабатывать , то что на родной схеме нарисовано это самый первый неудачный вариант, я уже писал что снимал квод405
там уже все было чуть по другому , и опять же это не лучший вариант,к сожалению у меня дома схем не оказалось ,
в понедельник выложу, на работе все
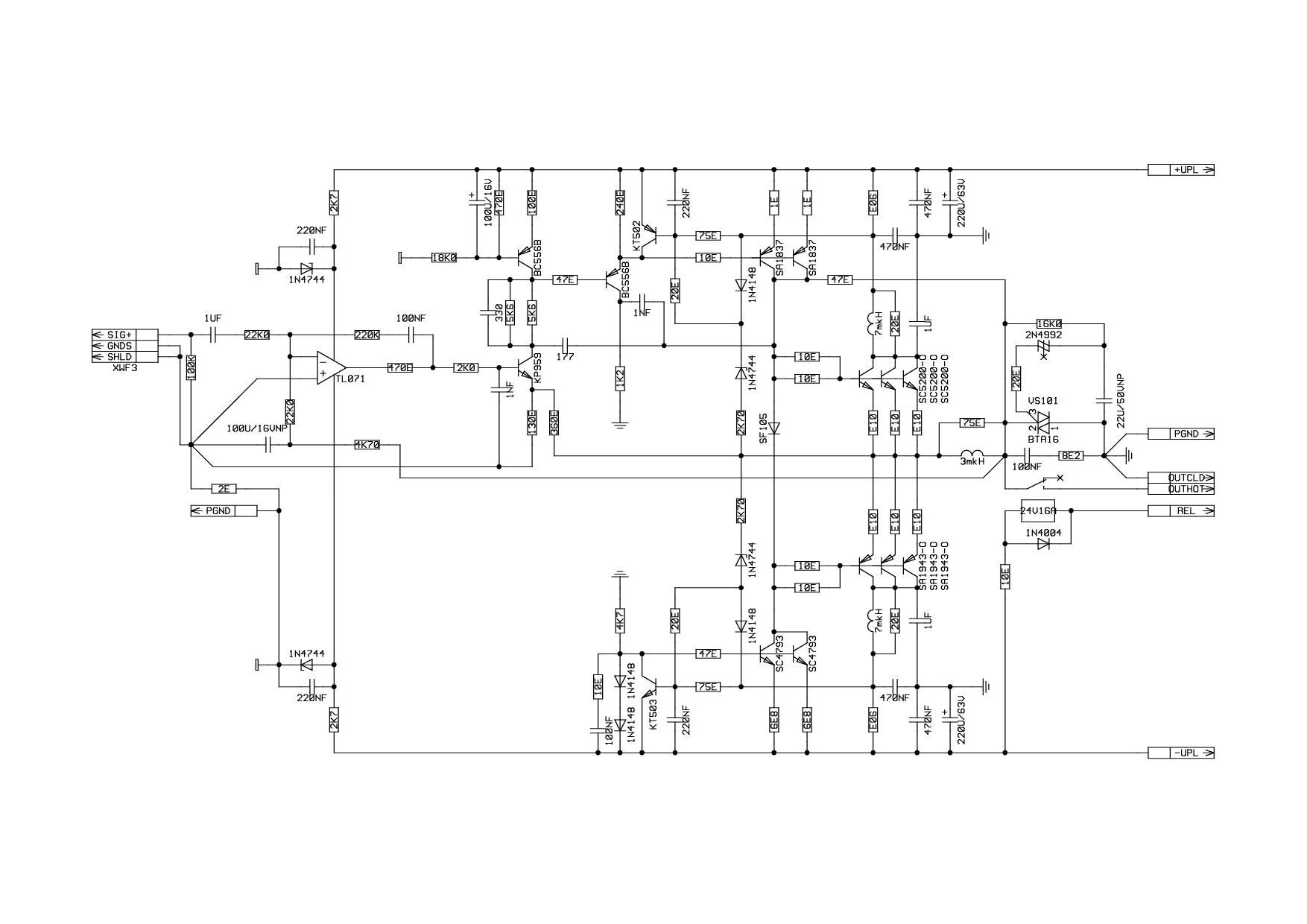
-греется он нормально не больше чем все остальное такой же мощности
срабатывать , то что на родной схеме нарисовано это самый первый неудачный вариант, я уже писал что снимал квод405
там уже все было чуть по другому , и опять же это не лучший вариант,к сожалению у меня дома схем не оказалось ,
в понедельник выложу, на работе все
-греется он нормально не больше чем все остальное такой же мощности

