Самодельный MIDI Controller (6 онлайн)

этот чип 14 контактный

Нет конечно. Это маленькие 5тивыводные SMD-корпуса, как транзисторы. Именно поэтому там в наименовании есть 1G - это значит, что один элемент в корпусе.

Например, вот даташит NXP:

-- Почему бы не использовать копеечный транзисто и три сопротивления?Проще и дешевле - некуда.

Ну Лонгу мне отвечать бессмысленно, ибо я у него в игноре, но вот @dim3740 Лонга слушать не надо, он не в теме от слова совсем. Дело в том, что инвертирование UART'а внутри процессора - очень редкая вещь, потому надо ставить два транзистора. А запаять 1 элемент в корпусе типа SOT23-5 куда дешевле, чем паять кучу рассыпухи из резисторов и транзисторов.
 
@Rst7, вы пробовали найти его у поставщиков? нет ни на Али, ни в ChipDip.:(

А по сабжу скажу так: я приветствую схему Long, ведь речь идет о прямом по проводимости транзисторе?

Тогда выход МИДИ идет относительно общего провода, что очень удобно при монтаже. Я часто ставлю 3-4 выходных DIN гнезда, и соединяю 5 пин всех вместе и на землю (минус). Недостаток в том, что не по непонятной ( на протяжении уже 3 лет, как заметил выше Gregory ) мне причине такой выход НЕ работает при TRS MIDI входе. Никто теоретически мне тут или в других постах объяснить причину не смог, или я просто туплю.... А на обычный оптрон в DIN5 все пашет прекрасно, проверено на сотнях приборов.

В итоге: я решил перейти все же на классический буферный выход и переразвожу печатки. Но... с сожалением, потому что не являюсь перфекционистом, и ценю затраты соизмеримые с потребностью. А профессионализм и все такое... оставляю тем кому важен процесс, а не результат.
 
вы пробовали найти его у поставщиков? нет ни на Али, ни в ChipDip.

Ну возмите не 126, а 125, если 126 в Ваших широтах нет. Там только другая полярность сигнала E. Или можете взять 74HC(T)1G08 - это элемент И без инверсии, просто два входа вместе соединить. Или 86 - это Исключающее ИЛИ, один из входов посадить на землю.

Это все совершенно не суть.

Тогда выход МИДИ идет относительно общего провода, что очень удобно при монтаже.

Только такая коммутация не очень по стандарту и лишает возможности, например, накормить выносное миди-устройство с паразитным питанием.
 
в линию MIDI надо давать сигнал от 5В
Да господь с Вами! С каких это пор?
Азы ремесла всегда гласили: "1" - 0mA, "0" - 5mA.
Я отстал от жизни и всё кардинально изменилось?

Кстати, раз уж Вы так хотите усложнять схему дополнительными источниками питания, когда Вадим задавал свой последний вопрос в прошлый раз, мы как-раз обсуждали возможность использования источника тока.

в любом букваре
В любом букваре сказано, что первым делом надо смотреть документацию на микросхему.
Почему процессор, который работает от 5 вольт, обязательно должен иметь выходные уровни КМОП? :Dle75:

объяснить причину не смог
Так что б объяснять, надо просто посмотреть на схемотехнику этого TRS MIDI.
Лично я не ковырял, но если данная схема правильная, то собственно объяснять и нечего, всё предельно ясно.

вы пробовали найти его у поставщиков?
Да их на самом деле много всяких, и в более мелких корпусах, особенно, если питание 3-х вольтовое.
У Тексаса серия LVC имеется.
Правда полагаю, что с доставаемостью то же самое.
 
Да господь с Вами! С каких это пор?
Азы ремесла всегда гласили: "1" - 0mA, "0" - 5mA.
Я отстал от жизни и всё кардинально изменилось?

Так посмотрите внимательно на страницу 2 спецификации, которую Вы приложили.

Там прямо так и написано - "MIDI Standard Hardware".

Питание - 5В. И как-то все производители вменяемые придерживаются именно такой схемы.

Потому что там не просто так по 220ом стоят.

Смотрите, если авария в кабеле, то токи КЗ в любой линии не превысят ~20мА. Это в принципе как слону дробина практически любой схеме.

А вот если питать от 3.3В, то сопротивления эти надо ставить порядка 50ом (чтобы обеспечить 5мА в петле). И токи КЗ уже будут под 70мА, что, например, тяжело для CMOS-выхода. И возможно, тяжело для питания прибора.

Короче, все не просто так в этом мире ;)

Почему процессор, который работает от 5 вольт, обязательно должен иметь выходные уровни КМОП? :Dle75:

Потому что другие (например, с технологией NMOS) закончились 30 лет назад ;)
 
Последнее редактирование:
прямо так и написано
Ну Standard здесь употреблено скорее в подтексте "обычный" (больно уж много оговорок).
Главное там, ИМХО, 5 mA current loop type.

производители вменяемые
Да где ж их взять-то? :Dle13:
Вон выше про TRS MIDI говорили.
А ещё ранее кое-кто паразитное питание упоминал.

токи КЗ в любой линии
И тут мы опять возвращаемся к вопросу OD.
При его использовании и 5V:
- Ток в 22 mA возникнет только в случае замыкания контактов 2 и 4 выходного разъёма, и будет нагружать только источник питания.
- В случае замыкания контактов 2 и 5 возникнет ток 7,5 mA, который нагрузит источник питания передатчика и светодиод оптрона приёмника.
- В случае же замыкания контактов 4 и 5 ток будет 11 mA, нагрузит источник питания и выходной транзистор.
Если использовать 3.3V (с соответствующими резисторами в передатчике):
- Ток 66 mA (но нагружается, как мы помним, только источник питания).
- Ток 6 mA (т.е. даже меньше, чем для 5V).
- Ток 33 mA (несколько многовато, но, вроде тоже допустимо).

закончились 30 лет назад
Так и 5-вольтовые давно закончились.
Давайте всё-таки к конкретике перейдём.

все не просто так в этом мире
Золотые слова, Юрий Венедиктович. :Dle75:
 
- Ток 66 mA (но нагружается, как мы помним, только источник питания).

Ну вот представьте себе, что Ваш девайс питается от USB. И эти лишние 66мА вполне могут оказаться "слишком лишними".

Да, конечно, если в устройстве только 3.3В и нет больше ничего, то делать 5В из 3.3В для MIDI специальным step-up'ом - скорее всего крайнее излишество. Однако, почти наверняка 5В есть в том или ином виде изначально.
 
Собственно это одно и то же, только в профиль.
Только ведь Атмел уже лет восемь как Майкрочипом куплен.
Так хотите Мегу рассмотреть? :Dle75:

А вот относительно TRS MIDI, у меня вопрос, который, последнее время, у меня часто возникает: А НАХРЕНА?
 
А ещё ранее кое-кто паразитное питание упоминал.

Да, я упоминал. Например, миди-кнопка с паразитным питанием, или бистабильное реле с таким же паразитным питанием часто очень удобно. Благо, цифровую часть можно нынче сделать крайне малопотребляющей, буквально в сотню микроампер.
 
Так хотите Мегу рассмотреть? :Dle75:

Так что мне рассматривать? Я двадцать лет назад широко применял, там CMOS выходы.

Только ведь Атмел уже лет восемь как Майкрочипом куплен.

Ну и что, что куплен? Я ведь не писал про Atmel, я писал про ATmega, а даже после покупки мелкочип продолжил выпуск всего этого дела, причем, с теми же наименованиями ;)
 
Ваш девайс питается от USB
Если речь о компах, то большинство производителей MB, ещё во времена ЮСБ-1, подзабили на спецификацию, в части питания по юнитам, и тупо подключали к шине +5V (хорошо, если хоть "феррит" устанавливали).
 
можно нынче сделать крайне малопотребляющей
Можно, только функционал придётся сильно ограничивать.


с теми же наименованиями
И с теми же даташитами. :Dle75:
Я в курсе.


Э-э, нэ. Так не пойдёть.
Глядим даташит, скажем на 128 Мегу:
Voh >4,2V
Vol <0,7V
Вписывается и в КМОП и в ТТЛ. :Dle17:


компы разные бывают
Опять же, золотые слова.
И ПиСюки тоже с нормальными ЮСБ бывают (хотя с современными гаджетами, жрущими, при зарядке, по полтора ампера, это проблематично).
Но! В таком случае, контроллер, при превышении, должен просто отрубить питание.
Так что всё-таки никакого "криминала" не будет.

Душевно... :Dle76:
До такого я, конечно, не доходил, но у меня есть тестер для проверки комповых БП.
У 300-400 ваттных БП он составляет около 10% нагрузки.
При этом резисторы там реально могут нагреться более 100 градусов.
 
Глядим даташит, скажем на 128 Мегу:
Voh >4,2V
Vol <0,7V
Вписывается и в КМОП и в ТТЛ. :Dle17:

Куда оно вписывается? Вы, наверное, были молоды, когда был расцвет TTL-логики, и не знаете, что типичный уровень лог.1 в TTL порядка 3В. С типичным порогом в 2*Uбэ, т.е. примерно 1.5В. Потому в HCT-серии порог и сдвинут от половины питания в эти самые 1.5В. Именно потому HCT удобно применять в качестве транслятора уровней из питания 3.3В в питание 5В.

А для ATMega с ее CMOS-выхрдами ситуация другая. Середина (при питании 5В) лежит в районе 2.5В, и оптимально с точки зрения помехозащищенности применять именно HC с порогом 2.5В.

Можно, только функционал придётся сильно ограничивать.

Я же говорю о "кнопке" или "реле", а не о каком-то навороченном миди-контроллере. Я, например, делал такое реле (даже не реле там было, а просто два оптрона) для управления байпасом tube screamer'а в педалборде. Чтобы не надо было ногой тыкать, когда соляк играть ;)
 
Вы, наверное, были молоды
Если это - подкол, то, зачОт, если же на полном серьёзе, то глядите профиль. :Dle26:


А для ATMega с ее CMOS-выхрдами ситуация другая
Всё-таки странноватый у Вас какой-то подход.
То, о чём Вы говорите, общетеоретические выкладки (по большому счёту бла-бла-бла).
У нас есть конкретный чип, у которого производитель гарантирует указанные выходные уровни, которые, в свою очередь, обеспечивают
совместимость как с ТТЛ, так и с КМОП (хотя, опять же, надо смотреть конкретные микросхемы). И какое дело, что середина лежит в районе 2,5V?
Собственно и середина-то виртуальная и быть её вообще не должно (иначе - активный режим).
Или я чего-то недопонимаю в ходе Вашей идеи? :Dle76:

И, кстати, по поводу помехозащищённости, Вы собираетесь прямо от процессора тянуть пятнадцатиметровый шлейф?


А что, в педалборде не нашлось, откуда питание взять? :Dle75:
 
И какое дело, что середина лежит в районе 2,5V?

Ну простое же. Помехозащищенность (не на 15ти метрах кабеля, а прямо на плате). Это в любом букваре описано. Почитайте хоть Хоровица и Хилла на досуге, там прям для детей разжевано. Или надо объяснять, что чем дальше порог от уровней, тем меньше вероятность ошибки?

Это может быть никогда в радиолюбительской практике не пригодится, но не зря ж их профессионалы "радиогубителями" зовут. А если надо спроектировать устройство, которое должно будет пройти полноценные испытания на ЭМС, то тогда все эти аматорскийе"и так сойдет", "общетеоретические выкладки (по большому счёту бла-бла-бла)", etc - прямой путь к плохо работающему устройству со всеми вытекающими.

А что, в педалборде не нашлось, откуда питание взять?

Есть нюансы. Например, не питать процессор от той же батарейки, от которой питается тюбскриммер. Догадываетесь, от чего такой нюанс? ;)
 
-- Вообще - топик пора в "Юмор" перемещать. :oops:
Несколько страниц обсуждения выхода с ОК... ТРИ детальки... :Dle54:
 
Несколько страниц обсуждения выхода с ОК... ТРИ детальки...

Опять двадцать пять. Я понимаю, что уважаемый (в кавычках) никогда не видел подмигивающих светодиодов в токовой петле, у которой выход при помощи ОК сделан. Ну ок, радиолюбителям привет и счастливо оставаться.
 
обсуждения выхода с ОК
Это всё, что Вы вынесли из обсуждения? :Dle76:


пройти полноценные испытания на ЭМС
Ну, вообще-то, ЭМС это - несколько из другой области, и там главное - правильная трассировка.
И если уж Вы говорите о грамотности, так тогда давайте и преобразование уровней делать специальными микросхемами, а не HCT серией.
И помехозащищённость надо опять же достигать правильной разводкой цепей питания и сигнальных линий.
А вообще г-н Long прав: мы слишком углубились в дебри, которые здесь мало кому интересны.
Предлагаю переместиться на какой-нибудь профильный форум.
 
Ну, вообще-то, ЭМС это - несколько из другой области, и там главное - правильная трассировка.

Нет конечно. Помимо правильной трассировки там много других подводных камней, куда более важных, нежели просто трассировка.

так тогда давайте и преобразование уровней делать специальными микросхемами, а не HCT серией.

Вы не поверите, но именно HCT-серией - это один из классических и правильных способов.

А вообще г-н Long прав: мы слишком углубились в дебри, которые здесь мало кому интересны.
Предлагаю переместиться на какой-нибудь профильный форум.

Странно, ссылку на электроникс даете, а то, что я там достаточно известный персонаж - не знаете, и предлагаете мне туда перемещаться :Dle67:
 
Ребята, валяется в ящике arduino uno r3 новая, есть здесь экспериментаторы, кто делал на похожих платах миди-контроллеры?

интересует что тот несложное, в духе настругал из дерева/пластика/оргстекла коробку - воткнул в нее штук 20 потенциометров (или бесконечных энкодеров), навесил midi плату с входом/выходом на ардуину и вперед линкую с vst)

можно что нибудь посложнее, к примеру чтобы энкодеры запоминали позицию/значение параметра vst (как это реализовано в novation zero sl к примеру)


вобщем если кто заморачивался подобным, или даст конкретные ссылки на рабочие проекты со скетчами к ардуине (чтобы не expensive бюджет конечно сжирали детали для этого контроллера) - буду премного благодарен :Dle7:
 
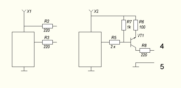
Возвращаюсь к теме буферов более конкретно. Прилагаю две схемы: классический выход, и однотранзисторный с общей землей. (Рис 1 и Рис 2). Вопросы фантомного питания, паразитных земель и т.п. в контексте вопроса не рассматриваем.

ВНИМАНИЕ: на схеме ошибочно показал ОБРАТНЫЙ транзистор. НЕТ, в реалии ПРЯМОЙ! Лень менять схему, извините....

1 схема работает в моих поделках (несколько сотен ед во всех 100 % при любых МИДИ приемниках.
2 схема работает во всех случаях, если приемник содержит DIN5 ((думаю, это значит - классическую оптопару).

Но 2 схема чаще всего НЕ работает, если приемник - TRS вход. Причем, имея всего 2 проводка, и 3 контакта на TRS джеке. Я перебрал ВСЕ варианты их соединения. Как по схемам Инета, так и метода тыка.

В чем может быть причина, если 2 провода - это поток электронов, который может иметь только 2 направления? Нет никаких "общих" земель у девайсов, питание гальванически развязано. Также сообщаю, что ТРС входа не являются комбинированными, т.е. и для педалей экспрессии, и для аудио.... Нет, это только МИДИ входа. Джеки тестил и тип A и тип В.

Думаю, что ответ в "фазе" UART пакета.... если такое понятие можно ввести.

мили.jpg
 
Т.е. я косячу в эксперименте, а так все должно работать? Ваша схема после интерпретации номеров мной опробована, но не работает. Попробую снять видео.

Пин 2 гнезда MIDI OUT у меня идет на схеме как 5, а пин 5 - как 4.
 

Это не моя схема, она с просторов интернета. Если она верна, то она явно требует земли на контакте 2 разъема DIN5 и требует соответствующей полярности сигнала на контаке 5 относительно земли. Чего, естественно, Ваша схема номер 2 не обеспечивает (вообще нет сигнала на контакте 5)
 
не та полярность сигнала на контакте 5 относительно земли)
Вот это вероятно и есть ответ. Тогда "что такое полярность"? Если есть 2 проводка, то перевернув их разве не имеем обратную полярность? Может речь о фазе? Т.е. куда перебрасывается первый перепад лог сигнала.- Из нуля в 1 или наоборот. Так?
 

Сейчас просматривают